高层建筑薄壁大吨位不锈钢屋顶水箱应用研究
- 低碳节能建筑设计的相关问题及解决方法
- 江苏建筑职业技术学院图书馆设计文化理念
- 四川雅安名山县涌泉村抗震小学的设计理念
- 四川汶川5.12大地震的启示
- 汶川大地震震中纪念馆的创作思考
- 洛阳洛南新区雅安新城结构设计
- 绿色居住建筑的节地设计
- 广州珠江新城海心沙地下空间建筑设计方案
- 黔东南地区郎德苗寨民居的热适应性
- 西气东输工程中长输管道站场建筑模块化设计与应用
摘要: 结合工程实例,就薄壁大吨位不锈钢屋顶水箱的钢种选择、布置方式及经济效果进行了讨论,并提出了其应用中应注意的问题。
关键词:高层建筑 薄壁大吨位 不锈钢 屋顶水箱 应用研究
近年来在一些建筑成套化改造或者加层时,经常碰到砼水箱自重大,建筑结构无法承受,且施工周期长,影响正常供水等情况。我们在某幢12层高层住宅结合大修加层至14层时,就遇到了这一问题。在拆除2只屋顶砼水箱后续建时发现需再建的砼水箱自重30t,装满水后总重达90余t,墙体结构难以承受。为此,我们设计了两组圆柱型高强度薄壁不锈钢水箱组,每组3只并列安装,单只水箱容水量为12m3,但每只水箱重仅1.5t,有效地减轻了自重,解决了这个难题。
该屋顶水箱实际运行两年来,一切技术状况良好,体现出安装便捷,清洁卫生,管理方便,使用周期长等特点,运行中还可灵活切换投入水箱的个数,既增加了供水安全可靠性,又避免了水质二次污染,且造价低,与同容积砼水箱造价相比,节约经费19.80万元。现将超薄型大吨位不锈钢屋顶水箱组设计应用有关问题归纳如下。(参考《建筑中文网》)
1 薄壁不锈钢屋顶水箱钢种选择与强度质量、理化稳定性的要求
以较大容量的薄壁不锈钢屋顶水箱组,取代传统的钢筋砼水箱,首先着眼点是自重轻,强度大。另一个关键则为确保一个储水容器自身不污染水质,钢种在长期运行中,必须具备对人体卫生、安全、无害。
1.1 不锈钢水箱的强度质量
由于我们设计的不锈钢水箱组,选用的板厚为0.8mm~1.0mm,如此厚度,贮存大容量液体后能否达到强度上的要求,引起一些人的怀疑,有关技术资料和设计数据表明,用料厚度虽然较薄,但材料具有强度高,韧性大,延伸性好的特点,只要把握好生产制作中的关键,设计制作大容量不锈钢储水容器无可非议,可以获得成功。
1.2 不锈钢种的理化稳定性
高层建筑不锈钢屋顶水箱,作为几百家住户的一个储水容器,水质的污染与否直接影响到人民身体健康,应在长期的运行过程中,不氧化、不生化,免于锈蚀和重金属铬、镍离子的生成析出。为此,我们设计制作不锈钢种日本牌号为SUS304(相当于国产OCi18Ni9牌号),从SUS304资料说明可以看出,该类钢种属奥氏体不锈耐酸钢,有良好的耐腐蚀性能和金属压延性能,对强氧化酸有耐腐蚀性。由此可见,以此作水箱体材料,完全可以抵御运行中低浓度氯酸(HCl),次氯酸(HClO),弱氧化性碳酸(H2CO3)等酸的作用,保障了水容器不污染水质的前提条件。
2 不锈钢水箱组设计布置方式和水力计算依据
2.1 确定水箱组的布置方式
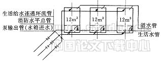
因建筑呈Z字状长条型,且住户多,平均每层23户,大楼改造前,采用同一泵组同时向两个砼屋顶水箱供水。虽然在离泵房供水管路较长的2号水箱内,安装了液位控制器,且两个水箱进水还辅以水位控制浮球阀,但由于水压差异,进水量不均,经常造成球阀杠杆断裂失控而溢水,有时两个屋顶水箱用水量悬殊,使其中一个水箱断水,影响住户的用水环境。对此,我们结合大楼加层大修以及适应大楼屋顶平面,对两组不锈钢屋顶水箱进行重新设计布置,采用并联式水箱组,且在两组水箱之间安装连通环流管(见图1),使两组水箱蓄水互补,高程平衡,杜绝两水箱组因进、出水量差异产生的常见顽症,断、溢水事故。

屋顶水箱组平面位置

图1 并列不锈钢水箱组布置及生活给水连通环流管图
2.2 不锈钢水箱组贮水量的计算
2.2.1 计算本大楼给水总秒流量,确定屋顶水箱生活蓄水容积
大楼加层改造后按两个竖向分区供水,上区(3层~14层)屋顶水箱上行下给式供水,住户数n为286户,下区(地下室~2层)下行上给式市政管网直接供水。该高层住宅给排水、卫生盥洗设施较为完善,核算户用水当量Ng为6.0N。
上区用水总当量:N∑=Ng×n
=6.0×286
=1716(N)
设计上区秒流总量:Qg=α×0.2
+KN∑ (α取1.02,K取0.004 5)
根据建筑物类别性质定Qg=1.02×0.2×1 716+0.0045×
=16.17(L/s)。
所以无调节贮水箱容积时,需求供水量为16.17L/s,即58.2m3/h。
计算水箱生活蓄水最小容积Vt:
Qgh为设计秒流量,折算为最高时需要量58.2m3/h;
Qb为水泵输出流量(在水泵Q~H特性曲线上查得中扬程时输出流量)23.8m3/h;
T为设计秒流量的持续时间,按0.5h计算;
Tb为水泵最短运行时间,按0.25h计算。
Vt=(Qgh-Qb)×T+Qb×Tb
Vt=(58.2-23.8)×0.5+23.8×0.25
=23.2m3
根据以上计算得屋顶水箱贮水容量Vt必须大于23.2m3。为安全供水,确保生活蓄水高程和扩大液控调节范围,结合实践经验Vt定为48m3为宜。
2.2.2 消防自救蓄水容量的计算此建筑归于二类高层建筑,室内配备消火栓防火设施每股(50-19双头消火栓)系统设计流量8L/s~10L/s,现配备3股系统,则其消防给水总量Qgx为30L/s。屋顶不锈钢水箱组应同时满足储存T初=10min的自救消防水量。
则其贮水量:Vx=Qgx×T初
=30×10×60/1000
=18(m3)
依据消防规范当室内消防用水量超过25L/s,经计算水箱消防贮水量超过18m3时,仍可采用18m3。在实际运作中,按两组6只水箱分布贮水,加之屋顶水箱与消防输出管距箱底应留有适当距离,为保证消防设施硬件可靠,我们将每只水箱贮水量增加1m3,则确定消防自救贮水量为24m3。
2.3 设计制作薄壁不锈钢水箱的形体要求
经计算该建筑屋顶贮水箱总容量为72m3(生活48m3、消防24m3),6只水箱分别贮水,每只水箱有效容量应保证在12m3。鉴于水箱在外省市制作加工,水箱组总重仅3t,不难运输,但设计形体结构必须符合交通运输、安装和管理上需求,不然会带来麻烦,我们以4t普通载重货车为运输工具,为此设计单个水箱为圆柱形,直径2.6m,总高2.8m,箱底呈0.05m抛面,上口人孔为1.2m(见图2)。因考虑周全,虽然运输长途跋涉到现场安装,但以后运行管理,都没出现任何麻烦。

图2 不锈钢水箱
1 箱体 2 进水管 3 液控引入孔 4 消防管
5 生活水管 6 排污管 7 人孔盖
8 起吊环 9 溢水管 10 压水加强筋
3 薄壁不锈钢屋顶水箱组的实效
3.1 经济指标比较
薄壁不锈钢水箱与砼结构水箱及其他种类水箱相比较,目前大容积水箱单价:不锈钢水箱0.2万元/m3~0.25万元/m3,奥金水箱0.25万元/m3~0.30万元/m3。若采用单个水箱贮水量36m3砼结构水箱20万元/只(建筑结构部分计入),有关主管部门指定选用的普通玻璃钢水箱17万元/只,而我们选用水箱组两套造价仅为19.6万元,显而可见不锈钢水箱的价格优势。
3.2 安装便捷,切换方便,保障供用水安全可靠
不锈钢水箱制作工厂化,自重轻,安装便捷。这次设计容量为12m3,底部呈0.05m抛面,意在底板能够获得足够的支承面,安装时底部周边范围内,用水泥砂浆或者细石砼铺垫,可保证板与支承面接触紧密。
由于采用水箱组并联供水,生活和消防蓄水兼容一水箱组,其中任一只水箱一旦需抢修、清洗时,另两只水箱照样维持供水,当消防需要时,生活水也可补充消防用水,增加了供用水的安全可靠性。
3.3 减少水质二次污染机会
在给水系统设计时,我们特别注意到对消防蓄水的“死水”现象和水箱进出水分层流动“停滞区”的防治。屋顶水箱内分区给水管制成虹吸装置,进出水管安装平面位置有意参差分布,同时还将进入箱体内的管材改成UPVC管,防止锈蚀污染。水箱组又是圆柱并且立式安放,即便产生沉污,排污阀一开即可解决。实践证明,这些措施到位,“死水”和“停滞区”现象消除,促进了箱内水体全方位流动,加之不锈钢水箱内壁光滑,污垢、藻类等无法附着,又一污染环节被杜绝。两年的运行表明,箱底结垢(砂粒、粘土、有机质等)比砼水箱显著减少,水质清纯,住户反映良好,改善了用水环境,为维护广大百姓身体健康起到积极作用。
4 应该注意的几个问题
4.1 大吨位薄壁不锈钢水箱运输、安装过程必须谨慎细致
大吨位水箱由于是“泡货”,在运输吊装时更要注意不得碰撞,以防变形,使焊缝开裂,严禁重力敲打,万一出现差错,现场很难修复;箱体管道连接时应顺螺纹缓缓旋紧;鉴于箱壁相对较薄,施工时管子钳切勿用力过猛;管道连接处水箱内应衬以加强板保护,提高接头强度。箱体宽度、高度设计,应考虑公路、隧道、桥涵等汽车运输所允许的技术规范。
原文网址:http://www.pipcn.net/research/200602/8453.htm
也许您还喜欢阅读:
