ADINA在深基坑开挖过程中对地铁的影响分析
- 工程爆破行业的信息化发展现状、实施问题和建议
- BIM技术及在工程项目管理模式中的应用
- 建筑扬尘污染监控平台中的Kerberos协议改进
- 云计算安全研究参考文献
- 云计算安全研究报告(5):云计算安全关键技术研究
- 云计算安全研究报告(4):云计算安全技术框架建议
- 云计算安全研究报告(3):云计算安全现状
- 云计算安全研究报告(2):云计算安全挑战
- 云计算安全研究报告(1):云计算发展趋势
- 大型集团型建筑企业工程管理信息化工作探索
内容提示: 以上海地区的某一相邻地铁隧道的基坑为模拟背景, 应用大型有限元软件ADINA, 采用二维有限元模型, 分别采用Isotropic混凝土模型和Mohr- Coulomb土体模型, 模拟基坑开挖的各个阶段。通过实际监测变形值与模拟值的比较, 表明分析结果与现场实测结果基本吻合, 这为以后的相关工程设计和施工提供理论和计算支持。
摘 要 以上海地区的某一相邻地铁隧道的基坑为模拟背景, 应用大型有限元软件ADINA, 采用二维有限元模型, 分别采用Isotropic混凝土模型和Mohr- Coulomb土体模型, 模拟基坑开挖的各个阶段。通过实际监测变形值与模拟值的比较, 表明分析结果与现场实测结果基本吻合, 这为以后的相关工程设计和施工提供理论和计算支持。(参考《建筑中文网》)
关键词 深基坑 有限元 ADINA软件 模拟
地铁作为现代城市的交通主要干线, 其安全性十分重要[1]。近几年我国经济保持较快地增长, 交通问题也日益严重, 好多城市为了改善交通都在积极地准备或已经在建地铁。但随着城市建设发展的需要, 地铁隧道在其使用阶段不可避免地会受到这样或那样的工程活动影响, 临近区域工程活动是较常见的, 对隧道产生重大影响的因素, 其中包括建筑基坑的开挖。因此, 对于理论研究和工程实践而言,解决城市建设发展与地铁保护双重需要的矛盾具有重要的意义。
以上海地区某一个毗邻地铁隧道的基坑实际工程为背景, 采用二维有限元分析方法, 应用通用非线性有限元软件ADINA, 对其进行模拟分析, 在后处理中提取支护结构变形值与实测值比较, 分析其可行性, 为设计和施工提供依据。
1 工程概况
工程是由一幢39层高的办公楼、3层商业楼、3层会所组成。距离地铁一号线隧道外边线仅3.8 m,隧顶埋深约- 12.7 m。基坑占地面积4 400㎡, 开挖深度9.2 m, 属深基坑工程, 基础采用钻孔灌注桩及厚承台板。施工区域土体自上而下分为以下土层: (1)杂填土, 上部夹碎砖、石子等杂物, 下部以素填土为主, 层厚(1.00~3.40) m; (2) 粘土, 含云母及铁锰结核, 层厚(0.5~2.1) m; (3) 灰色淤泥质粉质粘土, 饱和, 中~高压缩性, 夹粉砂薄层, 层厚为(2.55~5.60)m; (4) 灰褐淤泥质粘土, 流塑, 中压缩性, 夹薄层粉砂, 层厚为(7.40~10.0) m; (5) 粘土, 饱和软塑, 中~高压缩性, 层厚(3.00~5.60) m, 地下水位在地面下0.5 m处。土体物理力学参数如表1所示。

工程区段地铁隧道处于含水量高、压缩性高、强度低、流变性大的饱和软粘土层中, 极易受到毗邻的深基坑开挖而造成周边土层移动的影响。在施工工艺和施工参数上初步采用 “先中间后四周”的盆式挖土方式, 做到“分层、分区、分块、对称、平衡、限时”挖土支撑。基坑围护采用18 m深地下连续墙,墙顶设置钢筋混凝土压顶圈梁以增强维护结构的整体性。基底以下采用水泥搅拌桩满堂加固, 地铁隧道侧加固宽度达10 m, 水泥掺量为15%, 基底以上为8%, 深层搅拌桩加固区与地下连续墙的缝隙处进行了压密注浆。同时由于基坑有9 m左右的深度, 故采用两道水平支撑。
2 有限元计算模型
隧道的变形要求极其严格, 结构绝对最大位移不能超过20 mm, 变形曲线的曲率半径不小于15 000m, 相对弯曲不大于1/2 500。为保护地铁的正常营运, 对毗邻隧道的基坑施工方案需要认真分析。根据基坑开挖的实际过程, 将其简化为如下几个阶段, 以利于有限元模拟计算。第一阶段: 坑底土体加固; 第二阶段: 开挖第1层土体并加首道钢支撑; 第三阶段: 开挖第2层土体并加第2道支撑; 第四阶段:开挖第3层土体; 第五阶段: 开挖坑底土体, 及时进行垫层和底板的施工。
整个模拟过程涉及了土体的加固、开挖和底板施工, 计算时根据工程实际情况, 坑底土体的加固深度取为4 m, 底板取为1.5 m。模拟计算采用2D模型, 土体采用Mohr- Coulomb材料模型, 基底的加固区、底版、挡土墙, 还有隧道的内支护均采用Elastic- Isotropic单元模拟, 利用ADINA单元生死功能模拟基坑开挖和支护的全过程 ( 盆式开挖法) 。模拟实际工程具体的实现步骤: 第一, 建立模型,施加重力, 在原模型中加入支护结构, 设置边界条件及荷载; 第二, 使用ADINA中的单元生死功能,按照实际工程开挖顺序设置被挖土体与支护结构的生死时间; 第三, 进行运算, 提取后处理结果; 第四 , 用 计 算 结 果 采 用 DEFAULIT RESPONSE -COMBINATION, 求隧道的相对位移即隧道的真实位移。

3 模拟结果的分析
基坑部分的开挖使其周围产生了较大的附加应力, 基坑周围土体发生失稳破坏, 产生位移, 进而引发隧道位移。
由图2和图3可知, 土体变形的影响范围大约在20 m左右, 但在纵向上的土体的变形明显比横向要大, 而且越靠近基坑中间, 其位移就越大, 纵向的最大位移位于隧道的右下方。以下对施工开挖各阶段隧道变形情况进行分析。

坐标值全为正值, 说明隧道在施工开挖的整个过程中都是向上移动的, 图4中ADIND模拟分析结果与实测数据在各开挖阶段比较一致。但计算结果与实测结果, 在各个阶段却有偏差, 而且均显现出偏大的结果。这是因为基坑支护时采用地下连续墙。而地下连续墙体一般都能达到自防渗, 不会产生渗漏情况[2]。所以在模拟的过程中认为坑内降水对土体的最终变形影响不大。故在模拟中未考虑降水。加之, 土体的开挖时通过生死单元控制, 瞬间挖去与实际有一定的偏差。故而模拟的结果较实际偏大。总体而言, ADINA模拟的结果与实测结果相比较, 其结果是合理的。隧道变形小于20 mm, 满足隧道变形规定。

图5显示了在施工各个阶段基坑底部土体在纵向的变形, 在第一阶段即加固阶段, 其取值为负, 说明土体下沉, 这主要是由于加固所致。随后土体变形为正, 说明土体开始上浮, 这是由于基坑上部土体被挖去, 土体荷载卸去所致。在开挖的前两个阶段变形较大, 是由于一开始当土体被挖去之后, 其附加应力较大。开挖到第三个阶段时, 上浮变缓, 是由于前两阶段的土体上浮变形严重削弱了附加应力。在第五个阶段, 取值开始变小, 是由于加了底板, 遏制了土体上浮变形的进一步发展。

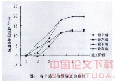
图6显示了隧道断面上最上端、最下端、最左端、最右端的位移变化情况。从图6可以读出, 隧道的最上端和最右端变化最大, 说明隧道的有向右下的移动的趋势。

5 结论
本文对上海地区一个毗邻地铁隧道基坑的实际工程采用ADINA软件对基坑进行二维有限元模拟, 并根据后处理结果对基坑变形进行分析比较,得出以下结论:
(1)ADINA模拟功能十分的强大, 但模拟的结果与实测有一定的偏差。一方面是由于理论本身的不足。但更重要的是对模拟参数的选取, 能否把具体的工程, 抽象为适合于ADINA计算; 选取更接近于实际的参数是模拟成功的关键之所在。
(2) 模拟的结果和实测虽有偏差, 但总的来说是工程允许的。可以为实际工程的设计和施工提供值得信赖的理论和计算依据。
(3) 模拟的结果显示隧道移动有向右下的趋势, 这说明在设计时一定要保证地下连续墙的厚度, 在施工时要保证施工质量。
(4) 为防止坑底鼓起, 一般采用底板来处理, 计算和模拟都表明在开挖前对坑底土体提前加固是非常必要的, 它能有效的抑制坑底土体纵向变形,对于保护隧道起到了很大的作用。
参 考 文 献
1 Kuesel T R. Tunnel engineering handbook. New York: N.Y Van Nostrand Reinhold Company Inc, 1982
2 陈忠汉, 黄书秩, 程丽萍. 深基坑工程. 北京: 机械工业出版社, 2002
3 黄文照. 土的工程性质. 北京: 水利水电出版社, 1983
4 程斌, 刘国彬. 基坑工程施工对邻近建筑物及隧道的相互影响.工程力学, 2000; (A03) : 486—491
5 Hu Z F, Yue Z Q, Zhou J, et al. Design and construction of a deep excavation in soft soils adjacent to the Shanghai metro tunnels. Can Geotech J/Rev Can Geotech, 2003; 40(5): 933—948
6 刘纯洁. 地铁车站深基坑位移全过程控制与基坑邻近隧道保护[ 博士学位论文]. 上海: 同济大学, 2000
7 张强勇. 岩土工程强度与稳定计算及工程应用. 北京: 中国建筑工业出版社, 2005
8 吉茂杰, 陈登峰. 基坑工程影响隧道位移的施工工艺控制方法.中国市政工程, 2001; (2) : 36—40
9 蒋洪胜, 侯学渊. 基坑开挖对临近软土地铁隧道的影响. 工业建筑, 2002; (5) : 53—56
10 陈郁, 李永盛. 基坑开挖卸荷引起下卧隧道隆起的计算方法. 地下空间与工程学报, 2005; (1) : 91—94
11 Smith I M, Griffths D V. Programming the finite element method.New York: John Wiley and Sons Inc., 1998
原文网址:http://www.pipcn.net/research/200807/9102.htm
也许您还喜欢阅读:
