空调工程改造过程中的理性分析
- 建筑结构鉴定与加固改造技术的进展
- 公路工程养护管理体制问题的思考
- 某小高层纠倾加固技术
- 运用“破窗理论”,搞好高校物业管理
- 钢筋混凝土模型框架振动台试验分析和抗震性能评估
- 5.12地震后震区农村建筑物震害分析和对策
- 对影响建筑寿命因素的探讨
- 建筑修复也是一种挑战
- 淮安市楚州医院病房楼走廊吊顶发霉与结露分析
- 火灾报警控制系统设计在建筑中的应用
内容提示:简介 空调工程建成后,通过试运转,或者运行数年后,达不到原设计的要求,需要提出改造或改进措施,这是工程技术人员经常接触的任务。本文对若干密集型生产车间的空调系统运行的调查结果显示有较多的车间新鲜空气量严重不足;空气过滤器严重积尘;换气次数下降;温湿度偏离设计要求;冷却水赃污结垢致使系统失效。对于这些实际工程中的常见故障,通过理性分析究其原因,用以引起设计者和管理者的重视。 关键字室内正压
简介: 空调工程建成后,通过试运转,或者运行数年后,达不到原设计的要求,需要提出改造或改进措施,这是工程技术人员经常接触的任务。本文对若干密集型生产车间的空调系统运行的调查结果显示:有较多的车间新鲜空气量严重不足;空气过滤器严重积尘;换气次数下降;温湿度偏离设计要求;冷却水赃污结垢致使系统失效。对于这些实际工程中的常见故障,通过理性分析究其原因,用以引起设计者和管理者的重视。(参考《建筑中文网》)
关键字:室内正压 平衡点 渗透空气量 压力特性 污垢热阻
1 第一类常见故障———新鲜空气量严重不足
这类故障多见于工业空调中。
例1.某电子产品装配车间空调系统运行至今逾10年。据管理者反映,夏季车间空调品质逐年恶化,现今干球温度经常超过30℃,相对湿度在70% 以上。最使操作工难以忍受的是新鲜空气量严重不足,去年曾出现工人昏厥中暑在车间。
例2.某显示器装配老化车间,工人反映投产5年来,上班总感到气闷难受。
分析这类车间的特点是,车间面积较大,工艺设备发热量一般,但属流水线装配,操作工人密度高,最低人均占有面积不足6㎡(包括运输通道)。
密集型的工业空调新鲜空气的重要性,在《采暖通风与空气调节设计规范》(GBJ 19-87)第5.3.8条明确要求“…… 或保证每人不小于30CMH的新风量的最大值确定”,对于这一基本要求,设计方案都予以考虑了。然而,要在空调系统运行后能有效地引入新鲜空气(尤其在人员密集的车间)却需要在系统上进行研究。
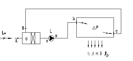
工业空调最常见的系统型式如图1所示

图1
这种单风机的运转系统不设置独立的排风,省电、省地、省设备,被多数业主所接受。这种系统的正常运转,从理论上讲有两点必须控制好。
1.1 室内正压△P
系统开始运转后,由于新风Lw的吸入,室内空气压力增加,当增加的△P足以通过窗缝、门缝渗透到室外的空气量Lp=Lw时,系统的运转达到了空气的平衡,此时的△P为室内的正压值,一般设计采用△P=5~10Pa,按作用压差法室内的渗透空气量可用下式计算
=
· l·
(1)
式中:
———-通过缝隙的渗透空气量,
;
———室内正压值,即室内与大气的压力差,
;
———常数,与门窗的气密程度有关,对于单层钢窗为 1.8;
———-表示单位长度缝隙漏风特性的系数,对于单层钢窗为 4.27;
l ———-缝隙长度,
。
1.2 室内回风与新风的混合点O
O点被称为回风和新风的平衡点。该点的控制是通过A、B风阀的调节完成的。
图1系统的运转压力特性可用 图2表示

图2
O为大气压力线,△P~△P为室内正压线,ab为送风管的压力降, △Hs为送风口的压降,△Hh为回风口的压降。Cd 为回风管压降,de为空调箱压降。 d点处于负压状态,由于负压值O’d的存在,大气被吸入混合箱内。
以上描述是设计意图与运转的实际效果达到一致时,则此空调系统处于正常运转状态。但是对于密集型的工业厂房,由于操作人员众多,新风的需要量较大,而渗透空气量是由不定因数的窗缝所左右,因而新鲜空气量供应不足现象时有发生,这是工业厂房中常见的故障。
例1的原设计资料为:装配车间面积为4320㎡,层高为4.5M,设计风量为164600CMH,操作人员800余人,按每人30m3/h计,新风量占设计风量的15%,即24610CMH,无单独排风系统,设计室内正压为10Pa,系统的流程如图1所示。分析其主要原因是车间排风不畅,导致室内正压升高,降低了新风的供应量,并计算如下。
根据式1,为保证车间正压值10Pa,其缝隙长度应为:
24610CMH = 4.27× l ×
, l = 5702
由于车间的气密性较好,其缝隙长度仅为设计的1/2强,约为3000m,为了达到空气量的平衡,室内将自动地升高其正压值,根据式(1)
24610CMH = 4.27×3000 ×
则得到
=
Pa
参看图2,由于室内正压的提高,在风机风压变化不大的情况下,相当于大气压线O’~ O’下降至O”~ O”虚线所示,而负压值O’d减为O”d ,因而必然降低新鲜空气量的吸入,这是导致新风减少的理论根据,也就必然反映到实际工程中去。
同时,室内过高的正压值,将造成风机流量的降低,减少了对车间的供冷量,使车间的温度升高。因而即使开大风阀A(见图1)增加新风的吸入使车间内保持风量平衡,但温度的升高是不可避免的。唯一的解决途径是设置车间的排风系统。有了排风系统可以避免不定因素缝隙的影响,根据设计要求灵活地控制风量平衡和热量平衡,提高空调系统运转的经济性。
按上例,保持车间
正压,当缝隙长度为
时,其渗透量为:
= 4.27×
×

,
=

排风系统就应负担24610 CMH-12950 CMH = 11660 CMH的排风量。有了排风系统,室内正压是非常容易控制的。
近年来不少资料阐述,空调工程应重视排风系统的设计,避免单纯靠室内正压无组织进行排风的弊端,其原因即在于此。
2 第二类常见故障———冷却水系统失效;表冷(加热)器严重积尘
这是普遍存在而又疏于重视的问题。
2.1 冷却水赃污结垢对系统的影响
某工程设计,冷却水为一机一泵一塔的开式系统,冷却水必须与大气进行热湿交换,因此水质极易恶化。虽然有5% 以上的补充水,但水管、塔、主机冷凝器赃污结垢现象必然存在。系统虽设置了除污过滤器,但长期不予清理,而大大影响了冷却水的交换效率。
冷却水系统的换热能力:
对于卧式肋管冷凝器,若以外表面为基准的水冷式冷凝器,其传热能力的计算应用下式:
K=
(2)
式中
———冷剂在肋管外表面冷凝的换热系数,
;
——— 冷剂侧污垢热阻,
;(若带油情况不严重此项可以忽略)
———肋管壁厚,
;
———肋管导热系数,对于常用的紫铜肋管为 
;
———用肋管内、外平均面积计算的肋化系数;
———用肋管内面积计算的肋化系数;
———管内水侧的换热系数,
;
———水侧污垢热阻, 
。
将式(2)应用到定型产品的计算上,若对冷却塔循环水进行处理,取 Rf=0.00018 
, 并忽略Roil,则
K=

= 594 
若对冷却塔的循环水不进行处理,则水侧污垢热阻最小值(不计水中钙镁离子浓缩后的沉淀)也要达到Rf =0.0005
, 将式中的Rf=0.00018改成Rf=0.0005,其他数值不变,则其计算结果为
=318
,传热能力下降了46% 。
这是导致制冷能力下降的原因所在,因而在操作管理上不仅要处理(过滤等),还要定期换水,以减少水中钙镁离子的浓缩,才能确保冷却系统的正常运行。
2.2 表冷(加热)器积尘对换热能力的影响
空调系统的正常使用,除了有效的冷却水系统外,尚包括空调水系统及空调风系统两方面。一般空调水均采用闭式系统,如果不是渗漏的原因,不会有补充水的需求,因此,相比冷却水而言,水的脏污结垢程度要轻得多。而表冷器风侧的情况就完全不同。
例1工程的空调风系统自运行近10年,从未清扫过,过滤器亦从未更换过。当过滤器的阻力超过其终阻力后,使循环风量逐年下降,车间温度上升,于是简单地将过滤器拆除。由于表冷(加热)器得不到保护,而新回风混合空气中的尘埃粒子无遮拦地黏附在最需要清洁的表冷(加热)器上,使热湿交换效率大幅下降。
表冷器的换热能力:
计算表冷器换热能力的典型公式
K=
(3)
式中:
------内表面换热系数,
;
------外表面换热系数,
;
------肋片热阻,
;
------管壁导热系数,
;
------管壁厚度,
;
-------肋化系数
由于肋片多为铝片或铜片,同时,对于铜管的δ在1
左右,而铜管壁的λ甚大,因而Rp和δ/λ甚小,可以忽略不计。于是计算表冷器的公式多用实验测定的数据并整理成以下的形式
K=
(4)
式中:
———实验常数,
———迎风面速,
;
———水流速,
原文网址:http://www.pipcn.net/research/200612/8770.htm
也许您还喜欢阅读:
