集中供热空调系统水力工况的动态模拟和控制
- 工程爆破行业的信息化发展现状、实施问题和建议
- BIM技术及在工程项目管理模式中的应用
- 建筑扬尘污染监控平台中的Kerberos协议改进
- 云计算安全研究参考文献
- 云计算安全研究报告(5):云计算安全关键技术研究
- 云计算安全研究报告(4):云计算安全技术框架建议
- 云计算安全研究报告(3):云计算安全现状
- 云计算安全研究报告(2):云计算安全挑战
- 云计算安全研究报告(1):云计算发展趋势
- 大型集团型建筑企业工程管理信息化工作探索
内容提示:简介 介绍了利用集中供热空调系统水力工况计算机模拟分析软件确定系统水力工况调节控制值的新方法,并对实际投入运行供热系统,在不同气候条件,不同用户特点条件下的运行控制策略进行了模拟分析,提出了系统的控制方案。设想利用现代控制理论和计算机模拟分析相集合,使用系统实际运行工况动态检测数据对系统的水力工况进行模拟分析,实现系统的远程自动控制。 关键字集中供热 管网 水力工况 动态模拟
简介: 介绍了利用集中供热空调系统水力工况计算机模拟分析软件确定系统水力工况调节控制值的新方法,并对实际投入运行供热系统,在不同气候条件,不同用户特点条件下的运行控制策略进行了模拟分析,提出了系统的控制方案。设想利用现代控制理论和计算机模拟分析相集合,使用系统实际运行工况动态检测数据对系统的水力工况进行模拟分析,实现系统的远程自动控制。(参考《建筑中文网》)
关键字:集中供热 管网 水力工况 动态模拟
目前,我国很多城市的集中供热和空调系统的规模正不断地扩大。如热、电、冷产,区域集中供热、供冷系统等。但随着供热、供冷规模的扩大,管网的水力工况将变得十分复杂,其水力失调问题将变得十分突出。从而使其供热、供冷质量下降,出现不能满足用户要求的情况。对于一个设计合理的系统,一般可以通过初调节,使各用户的流量达到设计值。但对于一个规模大管网复杂的系统,使用目前常用的方法(如阻力系数法、正常流量法、回水温度法和经验试凑法),由于受到各种条件的制约,存在准确度不高,需反复调试,工作量过大等问题。其效果不是很理想。因此有必要寻找一种准确有效的调节控制方法。
实际运行的供热空调系统是一个十分复杂的网络,系统中任何一个调节装置的工作参数发生变化,必然引起管网之间流量的重新分配。而且在系统运行过程中,随着气候变化和用户使用情况的变化,其用户所需的热(冷)量是动态变化的,因此系统调节控制应适应这种变化。笔者设想利用现代控制理论和计算机模拟分析相集合,利用水力管网系统实际运行工况动态检测数据对系统的水力工况进行模拟分析,进而使用分析的数据对系统运行工况进行远程自动控制,这不仅可以提高调节的精度,避免人工调节的工作量,而且可以实现系统水力工况的动态控制。十分有利于系统的节能。
要实现自动控制,首先必须计算出控制值的大小即调节阀的开度。本文重点介绍利用集中供热空调系统水力工况计算机模拟分析软件确定系统调节控制值的新方法,并通过对实际投入运行供热系统,在不同气候条件,不同用户特点条件下的运行控制策略进行模拟分析,提出系统的控制方案。
1 水力工况的模拟方法《复杂供热空调系统水力工况计算机模拟分析软件》运用节点质量流量平衡方程,回路压力平衡方程、图论理论与斯考德-恒斯雷试算迭代法建立数学模型而开发,计算机模拟时对独立回路的选择,水泵性能特性曲线,热压值的计算、固定质量流量所在分支的处理按【文献3】提供的方法进行处理。
2 流量调节控制方法对于一个新投入运行的供热空调系统,在各管网分支阻力已知的前提下,各用户入口实际的流量分配一定。因设计中受管径的限制和其它因素(如自然热压)的影响而存在不同程度的不平衡率,即用户的实际需流量和自然分配的流量不相同。这就必须采取流量调节的方法,使整个管网的回路压力平衡方程得到满足。本文采用的流量调节控制方法为固定流量法,即在进行网络解算时,将已知流量的用户分支作为固定流量分支,在网络解算过程中,固定流量分支不参与网络解算的迭代过程,使其流量保持不变。待网络解算结束,其他分支流量都计算出来后,再计算各固定流量分支的调节参数。
固定流量法一般与斯考德-恒斯雷配合使用。在网络解算的同时求出调节参数。
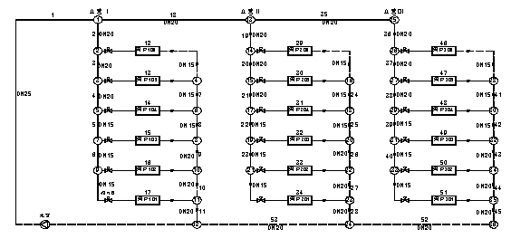
3 系统分析模型以图1所示的住宅室内供暖系统为分析对象。假设其每个用户的供暖热负荷一致,均为Q=3488W,总热负荷41856W;室内设计温度tn=18℃,设计供水温度为95℃,回水温度为70℃,散热器选用铸铁散热器。立管总流量Gz=1440kg/h,每户入口的调节阀选用Danfoss公司的RTD一N型预调阀。

图1 分析模型--住宅室内供暖系统示意图
为便于电算分析,将所有管段以及的管段的始末节点进行了编号,计算各管段的阻力数,按要求建立原始数据的数据文件。进行系统模拟时,将每个用户按固定流量分支参与系统计算,其模拟结果反算出每个用户入口进入设计流量调节阀的预设压降。进而可以计算出每个调节阀的开度。
4 系统运行控制策略在整个供暖期内,因室外气候条件的变化,如气候变暖时,用户所需的供热量减少,则用户入口的供水流量也相应减少。其控制方案可采用调节建筑物热力入口总压力和调整调节阀的开度以增大其压降值方法来实现。
4.1 调整用户入口调节阀的压降设定值
本文模拟了热力入口总压力45 Kpa,用户入口流量分别为80、90、100、110、120 kg/h时,系统用户入口调节阀的预设压降值。结果如表2所示。
表2 不同用户流量时调节阀的预设压降值(热力入口总压力45 Kpa)
| 立管编号 | 分支号 | 用户编号 | 不同用户流量(kg/h)时调节阀的预设压降值(Kpa) | ||||
| 80 kg/h | 90 kg/h | 100 kg/h | 110 kg/h | 120 kg/h | |||
| 立 管 Ⅰ | 12 | 用户106 | 45376.4 | 44730.5 | 44008.6 | 43210.7 | 42336.9 |
| 13 | 用户105 | 44564.4 | 43827.1 | 43003.1 | 42092.4 | 41094.9 | |
| 14 | 用户104 | 44132.2 | 43404.5 | 42591.1 | 41692.1 | 40707.5 | |
| 15 | 用户103 | 43664.2 | 42936.5 | 42123.1 | 41224.1 | 40239.5 | |
| 16 | 用户102 | 43145.0 | 42403.7 | 41575.1 | 40659.3 | 39656.3 | |
| 17 | 用户101 | 42997.0 | 42340.7 | 41607.1 | 40796.3 | 39908.3 | |
| 立 管 Ⅱ | 29 | 用户206 | 32223.8 | 28084.3 | 23457.7 | 18344.1 | 12743.6 |
| 30 | 用户205 | 31411.8 | 27180.9 | 22452.2 | 17225.8 | 11501.6 | |
| 31 | 用户204 | 30979.6 | 26758.2 | 22040.2 | 16825.5 | 11114.2 | |
| 32 | 用户203 | 30511.6 | 26290.2 | 21572.2 | 16357.5 | 10646.2 | |
| 33 | 用户202 | 30007.8 | 25776.9 | 21048.2 | 15821.8 | 10097.6 | |
| 34 | 用户201 | 29883.8 | 25744.3 | 21117.7 | 16004.1 | 10403.6 | |
| 立 管 Ⅲ | 46 | 用户306 | 28924.5 | 23908.5 | 18302.5 | 12106.3 | 5320.1 |
| 47 | 用户305 | 28112.5 | 23005.2 | 17297.0 | 10988.0 | 4078.1 | |
| 48 | 用户304 | 27680.3 | 22582.5 | 16885.0 | 10587.7 | 3690.7 | |
| 49 | 用户303 | 27212.3 | 22114.5 | 16417.0 | 10119.7 | 3222.7 | |
| 50 | 用户302 | 26708.5 | 21601.2 | 15893.0 | 9584.0 | 2674.1 | |
| 51 | 用户301 | 26584.5 | 21568.5 | 15962.5 | 9766.3 | 2980.1 | |
分析结果表明:
(1)对于本文的分析模型在系统入口总压力不变的条件下,随着用户需热量的增大,调节阀的开度增大,阻力数减小,则调节阀的压降设定值相应减小。
(2)在用户入口流量相同的情况下,各用户调节阀的压降调节值不同,其值的大小取决于供暖系统的制式,自然热压的大小,入口总压力的大小等因素。
4.2 建筑物热力入口总压力的调节
本文模拟了系统总压差分别为30000Pa、40000Pa、50000Pa时系统进行调节后实际运行工况,其电算模拟结果(如表1)表明,通过减少系统入口总压力,热水供暖系统用户入口调节阀的开度不变的情况下,用户入口流量按等比规律降低。从而达到控制室温的目的。
表1 不同热力入口总压力时用户入口流量和调节阀的压降值
| 立管编号 | 分支号 | 用户编号 | 热力入口总压力(30Kpa) | 热力入口总压力(40Kpa) | 热力入口总压力(50Kpa) | |||
| 流量 | 调节阀压降 | 流量 | 调节阀压降 | 流量 | 调节阀压降 | |||
| 立 管 Ⅰ | 12 | 用户106 | 88.9 | 29891.0 | 101.46 | 38979.2 | 112.7 | 48067.4 |
| 13 | 用户105 | 88.2 | 29018.2 | 100.86 | 37977.4 | 112.1 | 46936.6 | |
| 14 | 用户104 | 87.5 | 28606.5 | 100.24 | 37579.2 | 111.6 | 46551.8 | |
| 15 | 用户103 | 86.8 | 28170.9 | 99.66 | 37143.5 | 111.1 | 46116.1 | |
| 16 | 用户102 | 86.1 | 27655.5 | 99.06 | 36608.9 | 110.5 | 45562.4 | |
| 17 | 用户101 | 85.4 | 27570.1 | 98.45 | 36643.5 | 110.0 | 45716.9 | |
| 立 管 Ⅱ | 29 | 用户206 | 90.7 | 14255.3 | 103.11 | 18409.6 | 114.2 | 22564.6 |
| 30 | 用户205 | 89.3 | 13386.0 | 101.87 | 17411.3 | 113.0 | 21437.3 | |
| 31 | 用户204 | 87.8 | 12989.7 | 100.57 | 17028.4 | 111.9 | 21067.8 | |
| 32 | 用户203 | 86.5 | 12589.8 | 99.38 | 16628.5 | 110.8 | 20667.9 | |
| 33 | 用户202 | 85.0 | 12108.2 | 98.06 | 16133.5 | 109.6 | 20159.5 | |
| 34 | 用户201 | 83.4 | 12055.2 | 96.75 | 16209.5 | 108.5 | 20364.4 | |
| 立 管 Ⅲ | 46 | 用户306 | 92.1 | 10316.1 | 104.3 | 13232.6 | 115.2 | 16150.0 |
| 47 | 用户305 | 90.2 | 9449.5 | 102.6 | 12237.0 | 113.7 | 15025.4 | |
| 48 | 用户304 | 88.1 | 9064.5 | 100.8 | 11865.5 | 112.1 | 14667.3 | |
| 49 | 用户303 | 86.3 | 8690.8 | 99.2 | 11491.8 | 110.6 | 14293.6 | |
| 50 | 用户302 | 84.1 | 8220.5 | 97.3 | 11008.0 | 108.9 | 13796.4 | |
| 51 | 用户301 | 82.0 | 8170.1 | 95.5 | 11086.6 | 107.3 | 14004.0 | |
为适应气候和用户用热变化以及避免系统产生水力失调,对系统实施调节控制是系统运行管理中非常重要的内容。而实现系统的自动调节和控制一直是我们努力的方向。本文根据用户用热的要求,通过对实际投入运行热水供暖系统的水力工况的进行数值模拟,得到的数据可作为自动控制系统的基础数据。如根据计算得出的每个用户入口进入所需流量时调节阀的预设压降值,可通过DDC计算得出的各调节阀的开度,控制系统按其计算值进行调节,从而实现室温的自动控制。
利用计算机动态模拟和自动控制相结合可以实现集中供热和空调系统的实时调节和控制。它把管网作为一个整体,可以考虑多因素的影响,预测运行后的效果等。
参考文献(1) 贺平、孙刚编著· 供热工程(新一版),北京 :中国建筑工业出版社,1993年
(2) 王朝瑞编 · 图论, 北京 :高等教育出版社,1981年
(3) 冯小平 复杂热水供热网络水力工况的计算机模拟分析 江南学院学报 1999.3 (第3期)
(4) 冯小平 装有温控阀的室内垂直双管供暖系统 住宅科技 2000.7(第7期)
来源: 《建筑中文网》.原文网址:http://www.pipcn.net/research/200612/8762.htm
也许您还喜欢阅读:
