管网可调性和稳定性的定量分析
- 低碳节能建筑设计的相关问题及解决方法
- 江苏建筑职业技术学院图书馆设计文化理念
- 四川雅安名山县涌泉村抗震小学的设计理念
- 四川汶川5.12大地震的启示
- 汶川大地震震中纪念馆的创作思考
- 洛阳洛南新区雅安新城结构设计
- 绿色居住建筑的节地设计
- 广州珠江新城海心沙地下空间建筑设计方案
- 黔东南地区郎德苗寨民居的热适应性
- 西气东输工程中长输管道站场建筑模块化设计与应用
内容提示:为了研究热网及空调水系统的调节特性,设计调节性能好的管网,评价不同连接方式的管网对调节特性的影响,给出了水系统变流量调节时,各用户支路可调性和稳定性的定量定义及它们的具体计算方法与现场实测验方法。
摘要:为了研究热网及空调水系统的调节特性,设计调节性能好的管网,评价不同连接方式的管网对调节特性的影响,给出了水系统变流量调节时,各用户支路可调性和稳定性的定量定义及它们的具体计算方法与现场实测验方法。(参考《建筑中文网》)
关键词:管网 调节特性 变流量系统 计算方法
1 引言水网是暖通空调系统的重要组成部分。供热系统的运行调节主要是热水管网的调节。随着系统规模的增大,空调冷冻水系统、冷却水系统也愈来愈复杂,愈来愈重要。水系统的任务是通过水的循环来传输冷量和热量,由于系统负荷的变化,导致各个用户要求通过的循环水量也要随之变化。这就要求对管网进行调节以实现这种改变了的流量分配。许多运行调节中的问题都源于对管网的这种调节中。例如,有时通过调节阀门,很能难准确地实现要求的流量,图1为阀门开度与流量变化关系一例。此时,尽管随阀门开度增大,流量可以在0到100%范围内变化,但实际上很难真正达到中间的某个流量,调节性能很不好。由于流量难以准确调节,就导致温度不能准确调节,配有自动控制的阀门还会来回振荡,此时我们称其为"可调性差"。再一种情况是几个支路间的相互影响。一个支路开大阀门以加大流量,邻近支路流量就会相应减少。我们称此为"稳定性差"。设计管网时除满足其流速、压降、噪声等方面的要求,还希望系统能够有较好的"可调性"和"稳定性"。在对系统进行调节或实施自动控制时,还希望了解其可调性及稳定性,从而采取相应的调节手段和控制算法。然而尽管这两个概念一直被设计和运行人员重视,但一直未见具体的定量定义及定量度量方法,从而对这两方面的性能仅能进行定性的分析与评价。为此,本文提出对这两个性能的定量定义及其具体计算方法,并利用此方法对一实际系统进行一些分析以进一步说明其真正含义。

图1 阀门调节过程一例
阀门两端压差恒定时通过阀门的流量G与阀门开度K之间的关系,可用下式给出:
(1)
式中Gmax为全开即K=1时的流量。对于所谓"线性特性"的调节阀,其相对流量与开度成正比,即:
(2)
然而,当此阀门与一个设备(如热交换器)串联时,其流量特性就不再是线性。此时若支路两端的压差Δp为常数,则可导出通过阀门的相对流量为:
(3)
式中m为阀门全开时该支路上除阀门外其它部分的压降与阀门的压降之比。当m=0即其它压降可忽略不计时,G/Gmax=K。只有这时阀门调节特性才真正成为线性。图2为不同m值时相对流量随阀门开度K的变化。从图中可看出当m=10时此支路的调节性能已经很差。

图2 不同m值时的调节特性
实际上支路两端压差并不能恒定,往往由于与水泵或管网的其它部分连接而产生波动。此时其调节特性将进一步变差。图3为一简单的循环水系统,当阀V全开且ab间的压差为水泵两端(cd间)压差的三分之一时,不同m值时的调节特性由图2中的虚线给出。比较图2中的实线与虚线,可以看出管网的结构、水泵的特性都将影响支路最终的调节性能。这样,一个支路上安装一个阀门后,该阀门对此支路流量的调节作用与如下三个因素有关:(1)阀门本身的调节特性;(2)支路的阻力;(3)该支路外管网其它部分的影响。为了仅研究后两个因素对调节性能的影响而不涉及阀门本身的特性,可以先考虑阀门为上述"线性调节特性"时该支路点的调节特性。此时,可将相对流量对开度K的导数在K=1即全开时的值定义为支路i的可调性Ri,即:
(4)

图3 简单的水系统一例
当支路i两端为恒定压差时,由式(3)知
(5)
当m=0时,Ri=1,这相应于线性调节特性;当m=10时,Ri=0.091,即调节性能很差。因此,对于线性阀门,R在0到1之间,愈接近1调节性能愈接近线性。实际管网中某支路的可调性可直接测得,可以测阀门开到90%时与阀门全开时的流量之比,得到
(6)
亦可通过测事实上该支路上部件(如热交换器)两侧压差Δp的变化来计算:
(7)
下面讨论当已知管网结构参数及泵的性能曲线时,如何计算各用户支路的可调性R。定义一个支路的阻力系数S为:
(8)
Δp为该支路两端的压降,G为该支路流量。因此,由式(4),可调性为:
(9)
Si为带有阀门的支路的阻力系数,由式(5)可导出:
(10)
因此,
(11)
式中rGi, rSi分别为支路i的相对流量及相对阻力系数。
只要计算出支路流量Gi对支路阻力系数Si的导数,即可求出支路i的可调性。此导数与整个管网的结构及泵的特性均有关系,因此需对整个管网结构进行全面分析后,才能得到。按照图论方法,管网拓扑结构可以用它的关联矩阵A来描述,其中的元素ai,j为:
| | 节点i的流体直接进入支路j |
| 支路j的流体流向节点i (12) | |
| 支路j与节点i不直接连接 |
对于一个有n个支路m个节点的封闭的循环管网,去掉作为参考压力的节点,矩阵A为n行m-1列的矩阵,满足如下方程:
| | 流向各节点的流量代数和为零 |
| 每个支路的两个端点之压差等于该 支路的阻力与支路上的泵的扬程之差 (13) |
式(13)中,G为表示支路流量的n阶列向量;S为以各支路阻力系数为元素的n阶列向量,阻力系数按式(8)定义;ΔH为以各支路上泵的扬程为元素的n阶列向量,支路上无泵时,相应元素取作0;l为n×n单位矩阵,
为点积,它构成n×n对角矩阵,对角元素值为对应支路阻力系数S与该支路流量的平方之积再乘以流动方向的符号,当流向与式(12)所定流向相同时,取正号。
将式(13)的第二式对S求偏导数,有
(14)
由此得到:
(15)
令
为n×n对角阵,式(15)成为
(16)
由式(13)的第一式可导出
(17)
即
(18)
由此可得到,
(19)
将其代入式(16),可得到
(20)
式(20)给出任一支路的流量对管网中任一支路的阻力系数的偏导数,其中主对角线元素即为相应支路的流量对该支路阻力系数的偏导数。由式(20)知
由两部分组成,第二部分
对角矩阵,第i个角线上的元素为
,如果此支路无泵,则为
,这相当于该支路两端压差为常数时流量对阻力系数的导数。由此,第一部分
为管网其它部分对该支路的影响,也就是由于阀门调整导致支路两端点间压差的变化造成的影响。
为计算可调度,需知各支路相对流量对相对阻力系数的导数
,由此有:
(21)
这样第i个支路的可调度即成为矩阵
的第i个对角元素
与
之积。可以证明,不论何种形式的管网结构,
总在0~-0.5之间,它给出网络的其它部分对该支路可调性的影响。
表明支路两端压差恒定不变;
表明支路流量恒定不变。当
接近于0时,则表明该支路可调性很差,即使支路上阀门之外的部件阻力非常小,mi=0,也不能改善调节性能。当
较大时可以选用较小阻力的阀门,使mi稍大,在不影响调节性能的前提下减少阀门压降带来的能耗;当
较小时,为保证调节性能不恶化,只好选阻力大的阀门,使mi接近0。采用理想的等百分比流量特性的阀门在K=1处的导数大于1,也可以在
偏小时改善其调节特性。
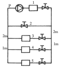
图4为由5个可调整的支路及一些主干管构成的循环水网。表1给了同各支路的流量及压降。图4中同时标出这种流量分布下干管的压降,若水泵P的特性曲线为:


图4 循环水网例
表1 图4管网的支路流量与压降
| 支路 | 流量 /t/h | 压降 /m |
| 1 2 3 4 5 | 330 30 100 100 100 | 10 10 6 4 4 |
则可按照式(20)计算出各支路流量对支路阻力的导数。下面给出5个支路的流量对阻力系数的导数
:
由此可由式(21)计算出这5个支路的 。从表2可以看出,这可调性最好的支路为支路2(0.948),它几乎相当于两端压差为常数时的调节特性,这是由于此支路本身流量最小,压降最大,即阻力系数最大。可调性最差的是主循环泵所在支路(0.43),这是由于该支路流量最大,阻力系数Δp/G2最小,并且由于水泵的压力随流量增加而减少,也使调节性能变差(见图5),此时如果此支路中装有冷冻机蒸发器,设蒸发器水侧阻力为阀全开时的阀门阻力的2倍,即m=2,则该支路的可调性R为:

图5 实际的水泵比恒压差水泵可调性差
表2 m=0时各支路的可调性
| 支路 | -2 |
| 1 2 3 4 5 | 0.43 0.948 0.762 0.676 0.676 |
这表明很难通过调整该支路的阀门来任意调整它的流量。对于支路3,4,5,要使其可调性R大于0.5,则支路的m应该满足:

支路3的m小于0.52,支路4,5的m须小于0.35,这就是说支路中除阀门外其它部件的阻力不能超过阀门全开时阻力的52%(支路3)或35%(支路4,5)。这样,大部分压降都消耗在阀门上,这就是提高可调性的代价。
实际上三个用户支路3,4,5中除了阀门阻力外,其它部件的阻力应该大致相同(例如为同样的表冷器),降低m值只有通过提高循环泵的压力,增大调节阀的阻力而实现。上例中循环水泵压力为20m,若表冷器压降为3m,即支路3,4,5的m值分别为3/(6-3)=1,3/(4-3)=3,3/(4-3)=3,可调性分别为R3=0.381,R4=R5=0.169。若将循环水泵扬程增加到30m,可计算出此时的R3=0.574 ,R4=R5=0.491,可调性得到显著改善。如果支路1中冷冻机蒸发器水侧压降为5m,将循环水泵扬程增加到30m后,该支路的可调性仍仅为R1=0.293,仍较差。可计算出,要使R1达到0.5,水泵扬程需增至35m以上。此时支路1的阀门压降为15m支路3,4,5上阀门平均压降为10m,共25m,这样,为了支路1达到较好的调节性能,70%的泵耗要消耗在各调节阀上。
3 稳定性定义与计算方法为评价管网中各支路间的相互影响,可以这样定义支路i的稳定性:
当调节支路i的阀门,使该支路流量变化ΔGi,这时若此支路与其它支路相互影响,则由于支路i的调节,会导致各支路的流量都有一些变化。其中一部分支路不希望流量被改变,因此可以调整这些支路的阀门,使这些支路的流量恢复到原来的流量,但这又使支路i流量向回变化ΔG'i,这两个流量变化之比可称作支路i的稳定性KS:
(22)
KS为0表明支路i流量将不使其它支路流量变化,或其它支路的调节不会影响支路i,因此稳定性最好;KS为1表示调节支路i后尽管流量有所变化,但其它支路为了保证其流量不变而进行的调节将又使i的流量恢复原状。因此KS为1表示支路i的稳定性极不好;当0<KS<1时,经过一个回合的调节,支路i的流量仅变化了希望变化的流量ΔGi的(1- KS),若
,则需要这样调节L个回合,支路i才能达到要求的流量。
分析图4所示管网,若调节支路5时,仅要求支路3,4的流量维持不变所计算出的支路5的稳定性KS,与要求支路1,3,4流量都不变时所计算出来的稳定性KS是不同的。进一步,若要求支路1,2,3,4的流量都不变,则支路5的流量为一定值G1-G2-G3-G4,也不可能改变,KS必为1。若不对任何支路的流量有要求,则KS为0。因此,稳定性KS不是单独对一个支路定义的,而是对一个支路及若干个要求流量不变的支路的集合所定义的。KS是以描绘了管网中一个支路D与另一个支路集合F,并且有
所定义的。因此,KS为D,F的函数:
KS= KS (D,F)
若F为空集,KS=0,若管网除F集合所包括的支路外的全部支路构成的部分关联矩阵
可逆,则这些支路的流量将由集合F内各支路的流量唯一决定。因此KS=1,只有
奇异时,KS (D,F)才有意义。
当可以测量管网中各支路流量时,KS可以直接测出,这时需用先测出D和F所对应的各支路流量,然后将支路D中的阀门开大,使该支路流量增加ΔGi(用流量计测出),其流量为Gi',再调整F所对应的各支路中的阀门,使这些支路的流量恢复到原有的值,这时再测量支路D的流量为Gi '',则

对于具有n个支路的管网,可用一个n阶行向量来定义支路D:
D=(0,0,…0,1,0,0…) (23)
其非零元素对应着所要研究的云贵。
同样用m×n阶矩阵来定义集合F:
(24)
使F的每一行对应于一个支路,其非零元素的位置指明是管网中的哪一个支路。
表明不存在向量X使D=FX成立。
当调节支路D,使其阻力系数变化ΔSi,支路D的流量变化ΔGi为:
(25)
同时造成F所对应的支路的流量变化为
(26)
调节F所对应支路的阀门,各支路的流量变化ΔGF为:
(27)
要使F对应的各支路流量恢复原状,式(26)和(27)给出的ΔGF应相等:
(28)
由此得到
(29)
由F所对应的各支路进行了ΔSF的调节而造成支路D的流量变化ΔGi'为:
(30)
这样,由稳定性Ks的定义有:
(31)
式(31)为稳定性Ks的计算方法。只要求出 ,即可根据所定义的支路D和支路集合F,由式(31)求出稳定性Ks。
由图4所示管网,可计算出13种支路组合情况下的稳定性,见表3。
表3 13种支路组合情况下的稳定性KS
| 序号 | D | F | KS (D,F) |
| 1 2 3 4 5 6 7 8 9 10 11 12 13 | 1 1 2 2 3 3 3 3 4 4 4 4 4 | 2,3,4,5 3,4,5 1,3,4,5 3,4,5 1,2,4,5 1,4,5 2,4,5, 4,5, 1,2,3,5 1,3,5 2,3,5 3,5 5 | 1 0.811 1 0.059 1 0.807 0.308 0.28 1 0.851 0.428 0.403 0.231 |
表3中序号1,3,5,9这4种情况的稳定性KS均为1,即不稳定,这是由于此时F所包括的支路已完全确定了系统的流量分布。因此要使F对应的支路流量不变,支路D必须保持原流量,不能产生任何变化。此时若各支路均安装独立的自控阀门,以流量为目标独立进行控制调节,必然振荡不止。稳定度最好的是序号4的工况,即调节支路2,并要求支路3,4,5流量不变,由于此支路流量最小(仅为其它支路的30%),阻力最大(压降10m),阻力系数为支路的3的18倍数,因此稳定度达0.059,即它的流量调节基本上不会影响其它支路的流量。序号13对应的工况是指支路4,5间的相互影响,稳定度为0.231。由于0.2313=0.012,约为百分之一,因此调整3个回合,即可使支路4达到要求流量而维持支路5的流量不变。序号2,7,11对应的工况相当于不对循环泵支路流量有要求,仅关心各用户支路(支路2也可以认为是一个用户支路)时的情况,这对应于一般供暖用热水系统。此时的稳定度分别为的0.059,0.308和0.428。分析管网结构,可以看出这主要与用户支路压降与干管压降之比有关,此时2,3,4三个支路的支路压降分另为10m,6m,4m。0.4285=0.014,表明要反复调节5个回合。这就是一般并联循环水分配系统的稳定性。这就是一般并联循环水分配系统的稳定性。序号6,10是要求循环泵支路流量不变,由一条旁通管(支路2)解决流量不平衡问题时,调整支路流量的情形。这对应于严格要求通过冷冻机蒸发器流量不变时的空调冷冻水系统,此时的稳定度分别为0.807和0.851。可见,当要求总循环泵流量不变时,仅靠旁通管来解决用户流量与源的流量之差,系统的稳定性还是较差的。序号2是指通过调整循环泵所在支路的阀门,改变通过冷冻机蒸发器的流量,而各用户支路的流量又不希望变化,由旁通管2解决二者的流量差时的情况,此时稳定度为0.811,这表明循环泵处流量的调整将严重影响各用户支路的流量,该点的稳定性很差。
从如上分析,可以看出用稳定度可以定量地分析管网内各支路的调节性能及各支路间的相互影响。
4 一般性推广 以上给出循环水网各用户调节支路的可调性及稳定性的定量分析,有些水网中调整主循环泵或二级泵转速, 以维持管网末端压差,这时可用同样的方法定义各用户支路的可调性与稳定性,只是在式(13)中增加一个条件,指出末端压差永远为常数并且泵的转速要随之确定,从而泵扬程ΔH不再仅是总流量的函数,而且还是转速的函数,而转速则由各用户支路的变化引起末端压差的变化所决定。因此式(16)中的矩阵M不再是对角矩阵。由此可以用同样思路求得
,进而得到各用户支路的可调性R及稳定性KS。
有时在用户支路中安装加压泵,不是用阀门而是通过调整加压泵的转速来调整支路流量,此时可调性R可用相对流量对转速的导数在转速最高时的数值来确定。这可以通过同样的推导过程得出。用户支路间的稳定性则完全按同样方式定义。只是当各用户支路都通过加压泵转速而不是通过阀门来将流量调到原数值时,
应改为
,再用同样思路来推导,可以发现若采用泵代替阀,通过调转速来改变流量,则可调性与稳定性都会得到显著改善。
对于风系统,上述方法同样适用,尤其是分析变风量系统的稳定性和空气处理室中风阀对阀回风比的调节作用时,可用上述分析方法。与水网不同的是,风系统中三通的局部阻力系数与三通处流量分配比有关,不能再按照常数来考虑。因此部分阻力系数S值将是风量G的函数,使得最终的结果要比本文中得到的公式更复杂些。
5 参考文献1 石兆玉.供热系统运行调节与控制.清华大学出版社。
2 高养田.空调变流量水系统设计技术发展.暖通空调,1996,26(3)(4) .
3 汪善国.商业空调冷水系统几个问题的探讨.暖通空调,1996,26(5) .
来源: 《建筑中文网》.原文网址:http://www.pipcn.net/research/200606/8582.htm
也许您还喜欢阅读:


