基于土体位移的沉井下沉受力分析模型
- 改进的隧道监测系统(TMS)在隧道围岩变形监测中的应用
- 我国岩土工程在可持续发展中的新使命及其实现问题
- 矿山地质环境治理问题研究
- 岩土工程勘察中常见的技术问题及解决措施探讨
- RTK-GPS在广州新电视塔变形监测中的应用研究
- 既有建筑物加固修缮勘察与地基基础加固方案选择
- 现场测量建筑围护结构节能特性的问题分析
- 文物保护建筑勘察特点及工程实例分析
- 旁侧荷载对复合地基性状的影响
- 从工程实例分析谈顺层岩质边坡的勘察与参数选取
内容提示:对沉井的下沉进行分析,考虑土体的位移而建立了沉井受力分析模型。提出沉井所受的土压力为被动土压力,推出被动土压力与侧摩阻力的计算公式。依据该计算公式对某钢厂地下旋流池的结构进行计算和分析,指出在沉井结构中,沉井刃脚高度以及刃脚踏面的宽度对沉井的侧摩阻力和下沉系数影响较大。
摘要:对沉井的下沉进行分析,考虑土体的位移而建立了沉井受力分析模型。提出沉井所受的土压力为被动土压力,推出被动土压力与侧摩阻力的计算公式。依据该计算公式对某钢厂地下旋流池的结构进行计算和分析,指出在沉井结构中,沉井刃脚高度以及刃脚踏面的宽度对沉井的侧摩阻力和下沉系数影响较大。
关键词:位移 被动土压力 侧摩阻力 刃脚
0 引言
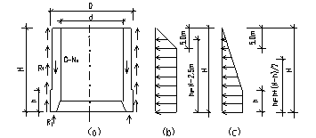
沉井法是一种特殊的施工方法。沉井的下沉是在自重G作用下,克服井壁与土体的摩擦阻力Rf、刃脚反力Rj和浮力Nw来完成,见图1(a)。在沉井下沉计算中,一般假设沉井单位面积上的侧摩阻力随深度而变化:在浅土层中,侧摩阻力从地表起逐渐增加,进入土层一定深度后达到最大值,然后逐渐减少,达到一定的深度趋于稳定[1,2]。工程设计中,单位面积侧摩阻力q一般按规范或实测取值。折算深度的计算一般按照图1(b)方法进行。文献[3]提出按图1(c)的计算方法。(参考《建筑中文网》)
对沉井所受的土压力,普遍观点认为沉井受主动土压力的作用,并根据Coulomb和Rankine土压力理论进行计算与分析。文献[4]提出沉井所受的土压力为被动土压力,并进行了论证。认为沉井下沉过程中井壁未受到土压力的作用,只是在刃脚处受到被动土压力的作用。但是并未提出此土压力的计算方法。

图1沉井侧摩阻力分布图
(a)沉井下沉受力;(b)规范提出的折算高度计算方法;(c)文献[3]提出的折算高度计算方法
现行的计算方法简便,但比较粗糙。它忽略了沉井外土体对沉井井壁与刃脚的不同作用;未考虑刃脚结构几何尺寸对沉井下沉的影响;也未考虑沉井挤压土体后的影响,因此,精度较差。
由于土压力的性质与大小与墙身的位移、墙身的材料、高度及结构形式、墙后填土的性质、填土表面的形式以及墙和地基的弹性等有关,而其中又以墙身的位移、墙高和填土的物理力学性质等最为重要[5,6]。因此本文重点从土体的位移、墙高和填土的物理力学性质等方面对沉井土压力及侧摩阻力进行分析。通过对单孔圆形沉井下沉过程进行分析,对沉井结构的简化,建立沉井受力简化模型,分析沉井所受的土压力,并据此对沉井刃脚和井壁所受的土压力及侧摩阻力进行分析。同时对现行方法及本文方法,对某钢厂新建的地下铁皮旋流池结构的受力进行分析和验算。
1 沉井的下沉分析模型
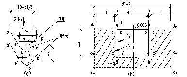
根据试验研究和理论分析可知,沉井的下沉过程实际是刃脚的踏面挤压土体的过程。沉井下沉时,在重力作用下,刃脚对其下及周围土施加压力,使土中的应力、应变发生改变,水分被挤出,土的孔隙减少,土体产生弹性变形并伴随着永久变形。在沉井刃脚踏面下,由于土与基底间的摩擦力对基底下土粒侧向位移的约束作用,在基础下形成楔形的弹性压实核,见图2(a)。为此,对沉井下沉进行如下假定:

图2 沉井下沉模型
(a)刃脚与弹性核;(b)沉井下沉的闭口系
⑴沉井下沉对地基的破坏形式主要是冲剪破坏和局部剪切破坏。
⑵被压缩的土体符合小变形的假定:
土体的压缩量为:
,设土体的压缩距离为s<<D,当Δh→0时,ΔV→0。
⑶沉井在Δt的时间内下沉深度Δh→0的这一过程为一准平衡过程。
⑷被压缩的土体符合连续性坚定和各向同性假定。
⑸在沉井下沉过程中,将与基础同时移动的压实核看作基础的一部分。沉井下沉Δh高度,相当于刃脚从a-b-o-c下沉到a′-b′-o′-c′面。
⑹设刃脚的厚度Δ=(D-d)/2≤0.1D,Δ为D的高阶无穷小。将沉井简化为直径为фd′=D-2s、壁厚为Δ→0的园筒;将沉井环形面积上的荷载(G-Nw)简化为直径为φd′的园周上的线荷载
,见图2(b)。
⑺井内及时取土,Rj≈0。
⑻沉井对土体的压缩为刃脚宽度的一半s,即土体从o-o′面被挤压至c-c′面外。
⑼沉井外土体土体被压缩后,土体产生相对滑动,达到土的抗剪强度,形成滑动面,土体被压缩后(图3),逐渐在沉井外形成一环绕沉井井壁及刃脚的压密体。环绕沉井的土体被压缩前后,内摩擦角φ 不变。

图3 刃脚外侧土体压缩变化的三相图
⑽将沉井及被压缩的土体设置为一闭口系,见图2(b)虚线所围成的体积。外力作用下,沉井的下沉及压缩土体的过程为一绝热过程,且与外界无物质交换。
在上述假定的基础上,依据热力学第一定律可知,沉井下沉过程中外力所做的功全部转化为物质的变形能,且外力所做的功与初始状态和最终状态有关,而和变形过程无关。因此,可将沉井在Δt的时间内下沉深度Δh分解为两个独立的子过程的叠加、而建立沉井受力模型:
⑴沉井的下沉
直径φd′、壁厚Δ→0的园筒,在园周上的线荷载
作用下,克服摩擦阻力,下沉Δh深度。在此过程中,土体位移:s=0;土的物理性质指标(γ、e、w、φ)保持不变。
⑵土体的位移与压缩
直径φd′、壁厚Δ→0的园筒在土压力作用下挤压土体,使土体产生的位移s>0。土的物理性质指标(γ′、e′、w′、φ′)发生改变,其中:γ′>γ、e′<e、w′<w,φ′=φ。
2沉井受力分析
2.1 土体的位移
根据上述的沉井受力模型,由Coulomb和Rankine土力学理论可知:在沉井下沉过程中,土体未产生位移,沉井所受的土压力为静止土压力E0;而在土体的压缩过程中,土体产生的位移从0增加到s。沉井所受的土压力从静止土压力E0逐渐增大到Ep′,Ep′=∈(E0,Ep],见图4。综合以上两个过程可知:沉井所受的土压力为被动土压力。

图4土压力随位移的变化
由于在沉井实际设计中,井壁外侧一般向内收缩一定距离,形成一台阶空间。因此,对沉井的井壁及刃脚所受的土压力需要进一步分析。
有关文献资料已证明,在正常的下沉情况下,沉井外侧的环状的压实土体一般不会与土层发生接触和摩擦[3]。因此,沉井在正常下沉过程中,沉井所受的被动土压力只局限于刃脚部份受到被动土压力的作用,井壁并未受到被动土压力的作用。
对沉井所受到的被动土压力Ep′的计算,可以采用的考虑变形的Rankine土压力模型[7]进行分析,当挡土墙位移量s∈(0,sp)时,
Ep′=
Ep (1)
其中,被动土压力系数折减系数:
式(1)中,s与sa符号相反,取产生被动土压力的位移为正。很明显,刃脚的宽度越大,被动土压力的折减系数越大。
尽管在沉井下沉过程中,井壁未受到被动土压力的作用。但是,随着时间的推移,被压缩的土体有向井壁移动的趋势。因此,沉井井壁所受的土压力应按土体向沉井井壁移动、按主动土压力进行计算分析。
2.2土的重度变化
根据工程实践资料,沉井的刃脚挤压和压缩土体,在沉井外侧形成一环状的压实土[3],表明沉井下沉使刃脚外土的物理性质指标发生变化。对沉井所受的土压力,由Rankine土压力理论:

及:
(对无粘性土:
) (2)
可知,土压力随着土的重度增加而增加。因此,在计算土压力E0、Ep或Ep′时,应考虑土体物理性质指标的变化对土压力的影响与变化。
土体被压缩前:
,压缩后:
。
则:
(3)
取土体压缩后沉井外侧形成的环状压实土体:e≈0,w≈0,则:

(4)
将式(4)代入式(2),即可求出Ep及Ep′。
2.3刃角的高度
在沉井侧摩阻力的计算中,规范法假定总侧摩阻力Rf距地面5m范围内按三角形分布,其下为常数,见图1(b);文献[3]提出的观点与此相近,见图1(c),只是折算深度计算方法不同。两种方法均认为沉井井壁受到土体侧摩阻力的作用,总侧摩阻力Rf沿深度成梯形分布。而根据沉井受力模型及实际工程中的沉井结构,在沉井下沉过程中,井壁未受到被刃脚压实的环状的土体的接触和摩擦,因此,本文建议采用单位面积侧摩阻力q等于侧压力E与表面积摩擦系数μ之积[8],即:
q=μEp′ (5)
原文网址:http://www.pipcn.net/research/200603/8515.htm
也许您还喜欢阅读:
