钢筋安装中应注意的几个结构构造问题
- 低碳节能建筑设计的相关问题及解决方法
- 江苏建筑职业技术学院图书馆设计文化理念
- 四川雅安名山县涌泉村抗震小学的设计理念
- 四川汶川5.12大地震的启示
- 汶川大地震震中纪念馆的创作思考
- 洛阳洛南新区雅安新城结构设计
- 绿色居住建筑的节地设计
- 广州珠江新城海心沙地下空间建筑设计方案
- 黔东南地区郎德苗寨民居的热适应性
- 西气东输工程中长输管道站场建筑模块化设计与应用
内容提示:钢筋工程是房屋建筑工程中一个非常重要的分项工程,其施工的正确性和质量好坏直接影响结构的安全。目前,施工人员主要根据《混凝土结构施工图平面整体表示方法制图规则和构造详图》(03G101-1,下简称《平法》)进行钢筋的安装,如果现场施工人员、监理人员对施工验收规范以及设计规范不熟悉,结构设计总说明不够明确;设计人员没有针对工程的具体特点进行技术交底;钢筋安装就会出现一些偏差。下面结合本人在工程实
摘要:钢筋工程是房屋建筑工程中一个非常重要的分项工程,其施工的正确性和质量好坏直接影响结构的安全。目前,施工人员主要根据《混凝土结构施工图平面整体表示方法制图规则和构造详图》(03G101-1,下简称《平法》)进行钢筋的安装,如果现场施工人员、监理人员对施工验收规范以及设计规范不熟悉,结构设计总说明不够明确;设计人员没有针对工程的具体特点进行技术交底;钢筋安装就会出现一些偏差。下面结合本人在工程实践中发现的比较突出、容易忽视的几个问题来加以分析。
关键词:钢筋安装 结构构造 规范 平法
钢筋工程是房屋建筑工程中一个非常重要的分项工程,其施工的正确性和质量好坏直接影响结构的安全。目前,施工人员主要根据《混凝土结构施工图平面整体表示方法制图规则和构造详图》(03G101-1,下简称《平法》)进行钢筋的安装,如果现场施工人员、监理人员对施工验收规范以及设计规范不熟悉,结构设计总说明不够明确;设计人员没有针对工程的具体特点进行技术交底;钢筋安装就会出现一些偏差。下面结合本人在工程实践中发现的比较突出、容易忽视的几个问题来加以分析。(参考《建筑中文网》)
1 梁柱纵筋
《平法》中对框支梁、框架梁、框架柱均有详细的配筋构造详图,可参照选用,这里须注意以下几个方面:

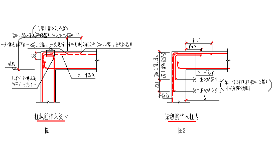
(1)顶层端节点处是较容易出现问题的部位,应正确选择连接的构造详图,一种是柱纵筋伸入梁内(图1),另一种是梁纵筋伸入柱内(图2),前一种方式柱纵筋伸入梁内与梁上部纵筋搭接长度≥1.5LaE,且至少要保证有65%AS1(AS1—柱外侧纵筋总面积)的柱纵筋伸入梁内,梁宽范围以外的柱纵筋可以伸入现浇板内。当柱外侧纵筋配筋率>1.2%时,还应分两次截断,两个断点相距20d,当采用后一种方式时,梁纵筋伸入柱内竖直段长度≥1.7LaE,当梁上部纵筋配筋率>1.2%时,也应分两次截断,断点相距20d,究竟采用哪一种方式,视柱施工缝留设位置而定,通常柱施工缝留在梁底或梁底下100mm,多采用第一种方式,当采用第二种方式时,必须把柱的施工缝留在1.7LaE或1.7LaE 20d以下。如图3为某框架顶层梁柱边节点平面,框架柱400×400,两侧对称配2Φ25 3Φ22(柱外侧纵筋总面积为2122 mm2),框架梁250×600,节点锚固采用柱纵筋伸入梁内的方式,隐蔽检查时发现角筋2Φ25未能伸入梁1内(由于梁宽250小于柱截面宽400),只有3Φ22伸入梁1内,其面积百分率仅为3×380/2122=53.7%<65%,不满足要求, 此时应将角筋2Φ25伸入现浇板内,又由于柱外侧纵筋配筋率ρ=2×491 3×380/1.6×105=1.33%>1.2%,应按二次截断处理。

(2)底部框架—抗震墙结构中的转换层的托墙梁上部纵筋应按框支梁进行钢筋安装(图4),而不能按一般框架梁来处理。《建筑抗震设计规范》(GB50011-2001)(下简称《抗规》)7.5.4条第4款规定:“……支座上部的纵向钢筋在柱内的锚固长度应符合钢筋混凝土框支梁的有关要求”。 这一条是强制性条文,必须严格执行。这种情况下,柱施工缝必须留在外排纵筋的 LaE以下。某一底框商住楼工程,底部二层框架梁(托墙梁)的钢筋安装就出现过错误,由于施工单位把柱施工缝留在梁底,从而造成外排纵筋的锚固长度不满足 LaE要求,最后只得把柱施工缝以下混凝土打掉一段并且焊接加长外排纵筋来解决。

2 箍筋加密区
框架梁、框支梁箍筋加密范围可依据《平法》构造详图按不同抗震等级选用,一般无多大问题,但框架柱箍筋加密范围常存在较大问题,须注意以下几个方面:
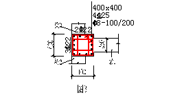
(1)底层柱, 《抗规》新增一条:底层柱根加密区≥Hn/3,Hn为柱净高,柱根是指地下室顶面,无地下室时,应为基础顶面(柱基基顶)起算,实际施工时柱根加密区常没达到这一要求。《平法》40页对上述要求有详图描述。
(2)框支柱、角柱,框支剪力墙结构中所有柱子箍筋都应沿全高加密,但是并非对所有角柱都要沿全高加密箍筋,只有抗震等级为一、二级时才需加密,结构设计总说明中往往只说明结构抗震等级,施工人员一般并不了解设计规范有相应要求。高层建筑中主楼与裙房之间设有伸缩缝时,由于主楼与裙房的抗震等级是分别确定的,主楼部分的角柱可能需沿全高加密箍筋,裙房部分的角柱则可能不需要。
(3)特殊部位的柱,一般发生在楼梯间位置和填充墙部位,由于楼梯平台梁支承在框架柱上,往往使相邻两框架柱变为短柱(Hn/h<4),填充墙设置也会使相邻柱形成短柱,这些部位的柱应沿全高加密箍筋。
在框架—抗震墙结构中,一些小墙肢(Lw≤3bw,bw为墙厚,Lw一墙肢长度),应沿全高加密箍筋,抗震墙的底部加强部位的端柱、紧靠抗震墙洞口的端柱均应沿全高加密箍筋。。
3 腰筋
腰筋实际上包括三种情况,梁侧面构造筋、抗扭筋、框支梁腰部纵筋。《平法》表示的施工图中,构造筋符号是G,抗扭筋符号是N,两者作用不完全相同,构造措施不一样,须引起注意。
构造筋主要是为防止梁侧面产生收缩裂缝而构造设置。《混凝土结构设计规范》(下简称《混规》)(GB50010-2002)第10.2.16条的规定比原规范要求更为严格,钢筋用量增加较多,但须注意只有当hw≥450mm 时,才需设置,每侧腰筋面积≥0.1%bhw。其间距≤200mm,hw强调的是梁腹板高度,并非梁截面高度h,严格来讲,《平法》中hw的标注仅是一种近似处理,与规范规定并不相符,《混规》中,对矩形截面hw=h0 (h0为有效高度), 对T形截面 hw=ho-t (t为翼缘厚) 。另外,构造筋伸入柱内的锚固长度为15d。
抗扭筋是由抗扭计算确定的,目的是抵抗扭矩产生的斜裂缝,这种钢筋伸入柱内的锚固长度应为LaE(La)。
由于框支梁是偏心受拉构件,其腰部的纵筋可以起到承担拉力的作用,构造上要求直径不小于Φ16,间距不大于200mm,伸入柱内的锚固长度为LaE(La)。
4 悬臂梁纵筋
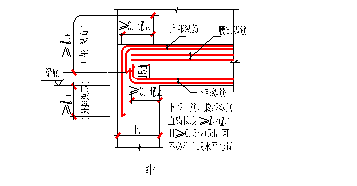
施工中发现的问题有:梁上部第一排纵筋切断和纵筋在端部弯下条件的判断有误,过去设计悬臂梁时,只要满足抵抗负弯矩的要求,除两根角筋通长布置外,悬臂梁施工图中一般将其余第一排纵筋在0.75l处截断,但《混规》10.2.4条明文规定“在钢筋混凝土悬臂梁中,……其余钢筋不应在梁的上部截断,……”这里的上部应理解为第一排,原因是悬臂梁全长受负弯矩作用,临界斜裂缝的倾角明显偏小,不允许截断。由于施工人员已习惯过去的做法,当梁上部只有一排纵筋时,仍将第一排中间纵筋在0.75l处截断,今后必须改正这一做法。不应截断的纵筋是否需在端部弯下,视l与hb的关系而定,若l>4hb,则在端部弯下,若l<4hb,不必弯下,但此时必须通长设置,如梁上部纵筋有二排时,第二排纵筋可以在0.75l处截断 (图5或参见《平法》66页详图)。

5 钢筋连接接头
框架梁、柱纵筋连接方法在《高层建筑混凝土结构技术规程》(JGJ3-2002)6.5.3条第四、五、六款均有规定,其连接质量控制在《混凝土结构工程施工质量验收规范》(GB50204-2002)中5.4条也有具体要求,目前,梁、柱主筋采用绑扎搭接方法已很少,焊接连接、机械连接用得最多,隐蔽验收时发现的主要问题有:
(1)接头位置不对。接头位置要设在受力较小处。施工人员应掌握一定的力学知识,应当知道梁跨中正弯矩较大,支座附近负弯矩、剪力较大,柱端在水平力作用下弯矩较大,接头应尽量避开这些位置,事先要算好钢筋下料长度,梁上部纵筋接头尽量靠近跨中,下部纵筋(若要焊接)尽量远离跨中(建议设在梁箍筋加密区外且离支座ln/3的范围内)。柱筋接头尽量远离柱端,所有焊接接头均应避开梁、柱箍筋加密区,确实无法避开时,宜采用机械连接。
(2)接头数量不符合规范要求。这主要是要理解“同一连接区段”的概念,它指的是35d(d—纵筋较大直径)且不小于500mm的长度范围,凡接头中点位于此长度内的接头均视为同一连接区段的接头,并且要求纵筋焊接接头面积百分率应该小于等于50%,如图6,当l1=600mm<35d=35×22=770mm,接头A与上面(或下面)两个接头构成同一连接区段的接头(共3×4=12个),接头面积百分率是12/16=75%>50%,不满足要求 。若l1=800mm>770mm,接头A与上面(或下面)两个接头则不属于同一连接区段,此时,接头面积百分率分别是4/16=25% 和8/16=50%。对机械连接接头,也应改变原来的做法,已经修订的《钢筋机械连接通用技术规程》将其分为三个等级,I级接头面积百分率不受限制,II级接头面积百分率不大于50%,III级接头面积百分率不大于25%。
原文网址:http://www.pipcn.net/research/200603/8506.htm
也许您还喜欢阅读:
