阳泉供电局生产运行计量楼空调机房冰储冷及水储热工艺设计
- 低碳节能建筑设计的相关问题及解决方法
- 江苏建筑职业技术学院图书馆设计文化理念
- 四川雅安名山县涌泉村抗震小学的设计理念
- 四川汶川5.12大地震的启示
- 汶川大地震震中纪念馆的创作思考
- 洛阳洛南新区雅安新城结构设计
- 绿色居住建筑的节地设计
- 广州珠江新城海心沙地下空间建筑设计方案
- 黔东南地区郎德苗寨民居的热适应性
- 西气东输工程中长输管道站场建筑模块化设计与应用
内容提示:阳泉供电局生产运行计量楼位于阳泉市德胜东街和三角线交叉口北侧。该大楼总建筑面积11507平方米,楼高地上15层,地下2层。中央空调面积10153平方米,建筑设计高度63.3米。根据甲方要求冬夏季均考虑空调,采用电力作为能源。夏季采用冰储冷空调系统、冬季采用水储热空调系统,采用此方案不仅可以降低空调系统的电力容量,而且充分利用了夜间廉价的低谷电力储存冷热量,满足在电力高峰期的空调冷热负荷需要,节约系
一、 工程概况
阳泉供电局生产运行计量楼位于阳泉市德胜东街和三角线交叉口北侧。该大楼总建筑面积11507平方米,楼高地上15层,地下2层。中央空调面积10153平方米,建筑设计高度63.3米。根据甲方要求冬夏季均考虑空调,采用电力作为能源。夏季采用冰储冷空调系统、冬季采用水储热空调系统,采用此方案不仅可以降低空调系统的电力容量,而且充分利用了夜间廉价的低谷电力储存冷热量,满足在电力高峰期的空调冷热负荷需要,节约系统运行成本,冷水主机、电锅炉及其辅助设备的容量和功率将大大减少。以下主要介绍冰储冷,对水储热只作一简介。(参考《建筑中文网》)
二、 冰储冷空调系统工艺设计及设备造型
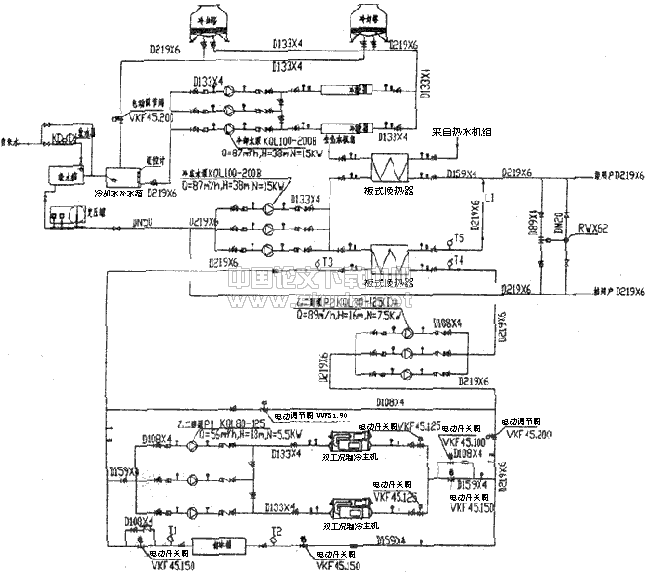
1、本工程按冰储冷空调分量储冰模式设计,经计算空调系统需配备空调工况制冷容量为85RT的双工况螺杆冷水主机两台,储冰装置储冰容量为800RTH,主机耗电量62KW/台,双工况主机可分别在空调和制冰两种工况下运行。
2、储冰装置:双金属芯心冰球空调系统经温州体育馆,上海锦都大厦、杭州国际大厦和温州海龙大厦等十几个工程应用,证明效果良好。为此,本工程设计选用双金属芯心冰球系统,系统总储冰量为800RTH,储冰容积为60立方米,双金属芯心是由PE塑料吹制而成,外型设计有伸缩箱,允许在储冰,溶冰过程中,蓄冷剂相变而引起膨胀与收缩,在冰球中心置入金属芯片促进热传导,其主要优点如下:
(1) 乙二醇水溶液导入冰球中心减少结冰厚度,传热效果较无金属芯心增加30%。
(2) 金属芯心有利于物理晶核的形成,减少了过冷度,将成核温度提高至2.7摄氏度。
(3) 双金属芯心增加了传热速度,结冰溶冰速度快,可实现按分量储冰模式设计在部分时间内全量溶冰供冷空调。
(4) 含有金属物配重冰球不会因结冰会上浮,因此储冰罐可以为无压容器且可放置在建筑箱子基地下,不占有建筑有效空间。
(5) 乙二醇水溶液在球外循环系统设计简单,与传统空调系统冷冻水流程相类似,系统扩建容易,储冰容量增加相当方便。
(6) 冰球由国内合资生产价格合理对储冰空调系统应用经济效益好。
3、板式换热器:板式换热器将储冰系统的乙二醇回路与空调系统回路隔离,板式换热器水侧进出口温度为12℃/7℃,乙二醇侧进出口温度为5℃/10℃,经板式换热器选型软件计算,选用热量为900KW板式换热器一台。
4、水泵:经计算水泵的型号及数量选用如下:
初级乙二醇系 KQL80-125 三台(65m3/h,18m,5.5kw)
次级乙二醇系 KQL125-125A 两台(86m3/h,18m,11.0kw)
次级乙二醇系 KQL65-125A 一台(20m3/h,16m,2.2kw)
冷冻水泵 KQL100-200B 三台 (80m3/h,36.6m,15.0kw)
冷冻水泵 KQL80-160(I)A 三台(75m3/h,28m,11kw)
冷却水补水泵 KQL50-250A 两台(11.6m3/h,70m,7.5kw)
5、冷却塔选BLSSJ100冷却塔2台,冷却塔水量100m3/h,,电机功率为2.2kw系统流程见工艺流程图(一)
|
工艺流程图(一)
三、 水储热空调系统工艺设计与设备选型
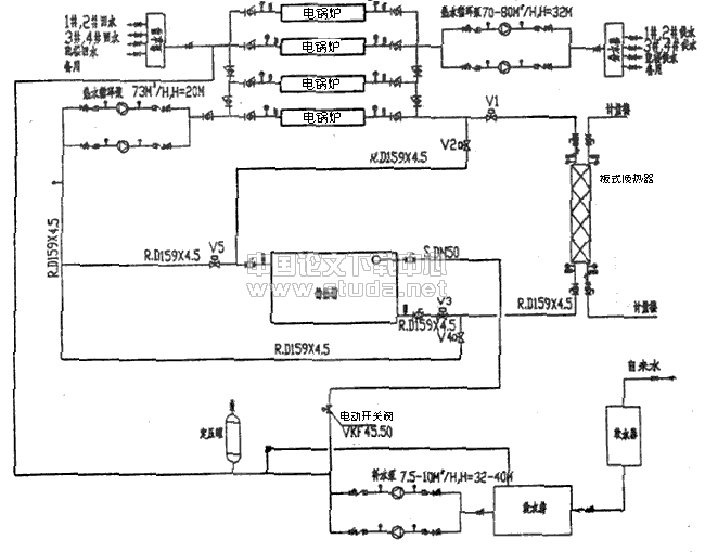
1、 根据设计计算本大楼冬季空调需要配备HYDRW-900-0.6电热水锅炉900KW两台,一用一备,制备90℃-70℃热水。
2、 冬季空调热水循环泵与冷冻水循环泵共用。
3、 储热热水循环泵配备70-80m3/h,h=20m,n=11kw两台一用一备。
4、 储热槽,储热量7200kw/h v=200立方米。
5、 板式换热器换热量850kw。
系统流程见工艺流程图(二)
|
工艺流程图(二)
四、 辅助设备
1、 自来水进入系统之前经软化处理,选择一台处理水量为4-5t/h的钠离子交换软化器。
2、 软化水经过-4立方米储水箱后分成两路,一路由补水泵输送到冷却水补水箱。另一路经过一台总容积为1.56立方米,工作压力为0.6-1.0mpa落地式气压膨胀水箱自动补充散失的循环水。
五、 系统运行模式
根据阳泉市气候特点和空调实际需求储冰系统可按以下四种工作模式运行
1、 主机制冷模式:在晚22:00-7:00期间,双工况主机制冰储冷800RTH。
2、 融冰供冷模式;此时不开主机,冷量由融冰提供,此模式可在春秋过渡季节或冷负荷较小期间运行。
3、 主机供冷加融冰模式:当负荷较大时,选用该模式提供冷量。
4、 主机供冷模式:该模式下,主机负担大楼的全部冷负荷。
六、 自控系统
自控系统用于控制空调系统在不同工况下的运行和参数检测其基本功能有:
1、 根据工况要求控制电动阀门的开关。
2、 主机的开关及各种信号收发控制。
3、 水泵冷却管的开关以及各种信号收发控制。
4、 根据冷冻水回水温度调节温控电动阀保证回水温度恒定,使空调系统达到舒适节能的目的。
5、 自动检测系统不同的温度、流量、溶水速度和结冰速度。
6、 自动制冰,制冰结束自动停机。
7、 显示记录各种运行设备的主要参数。
8、 对系统及设备出现的故障及时报警。
9、 友好的人机对话界面所有参数可通过操作面板设定。
10、 楼宇辅助设施供水排污供热消防排烟等也可纳入统一集中控制管理。
七、 运行情况
该工程2000年10月9日竣工,经全面调试达到设计要求。冬季工况及夏季工况系统运行正常,自控装置工作有效、可靠。夏季冷水供回水温度为7℃/12℃,冬季热水供回水温度为65℃/55℃。
八、 结束语
储冷空调系统工艺设计时应注意以下几个方面问题:
1、 常规空调选用制冷机,一般都以其空调设计负荷所需的最大能力作为容量选定标准。储冷空调系统则须根据不同功能建筑物的有关资料,室内温湿度要求及当地气象资料,计算出不同性质房间质的时空调冷负荷值,然后加以逐时累加,得出设计日建筑物的空调冷负荷曲线,这是做好储冷空调的基础。根据当地夏季的气象资料,计算出建筑物逐月的空调制冷量,以此作为计算空调运转费用的基础。
2、 根据不同冰储冷设备的特性进行储冷系统的设计,应满足以下4个过程:(1)制冷机组的制冷蓄冷过程;(2)制冷机组制冷过程(3)储冰设备释冷过程;(4)制冷机组与储冰设备同时进行制冷、释冷过程。
3、 冰储冷空调系统的辅助设备选择必须符合冰储冷系统的要求。如水泵、调节阀、控制阀、热交换器等,如果选用不当,将给冰储冷空调系统的正常运行带来不良后果。
4、 在冰储冷空调系统设计中应同时考虑系统的运转方式策略和负荷管理策略,就尽可能保证所有制冷机组长时间在满负荷或高效率、低耗电率的条件下运行;同时要使储冷设备保证在用冷高峰期满足负荷要求,充分发挥储冷设备的作用。
参考文献
1、 陆耀庆,主编。实用供热空调设计手册。北京:中国建筑工业出版社,1993。
2、 何耀东、何青,主编。中央空调。北京:冶金工业出版社,1999。
3、 胡兴邦,朱华,叶水泉,冯踏青,编著。储冷空调系统原理、工程设计及应用。浙江大学出版社,1997。
原文网址:http://www.pipcn.net/research/200512/8352.htm
也许您还喜欢阅读:


