变风量系统控制浅谈
- 低碳节能建筑设计的相关问题及解决方法
- 江苏建筑职业技术学院图书馆设计文化理念
- 四川雅安名山县涌泉村抗震小学的设计理念
- 四川汶川5.12大地震的启示
- 汶川大地震震中纪念馆的创作思考
- 洛阳洛南新区雅安新城结构设计
- 绿色居住建筑的节地设计
- 广州珠江新城海心沙地下空间建筑设计方案
- 黔东南地区郎德苗寨民居的热适应性
- 西气东输工程中长输管道站场建筑模块化设计与应用
摘要: 本文对变风量空调系统自动控制设计、监控系统设计及实施中的一些问题进行了讨沦。(参考《建筑中文网》)
关键词: 变风量空调系统 末端装置 自动控制
由于变风量系统具有可减少空调设备的安装容量、节省运行能耗、可以满足不同房间不同温度控制的要求、适应使用空间变更的要求、维修量小等优点,在我国的一些高级办公楼中已被采用,如北京的南银大厦、中国银行、中国人寿大厦等建筑,而一些正设计中的新的办公楼也采用了变风量空调系统,变风量空调系统将会越来越多。本文仅就系统控制设计及实施中的一些问题进行讨论。
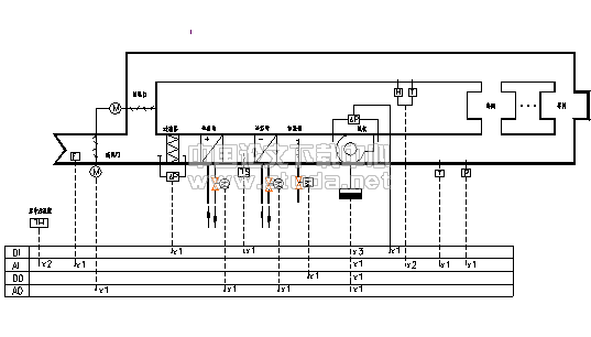
1. 变风量系统的控制变风量空调系统的控制可分为变风量空调机组和变风量末端装置两部分,本文用图1与图2的变风量空调系统为例,来讨论监控点的设置及主要的控制功能。该系统为单风道系统,建筑物内、外区共用同一空调系统,内区变风量末端装置为单风道基本型,外区变风量末端装置为带再热的串联式风机动力型。

图1 变风量系统控制原理图

图2 变风量末端装置控制原理图
a. 单风道基本型; b. 串联式风机动力型(带再热)
(1)监控点的设置
1)变风量末端装置
变风量末端装置监控点的设置见图2。图2 a为单风道基本型,图2 b为带再热的串联式风机动力型。需要说明的是:①室内温度传感器为带温度设定功能型,故设2AI点;②压力无关型变风量末端装置的进风口处有一风量检测装置,设1AI点;③热水盘管调节阀的控制可为开/关型,也可以为增量调节型和连续调节型。此处为开/关型控制,设1DO点;④风阀控制可用1AO点或2DO点;
2)变风量机组
监控点的设置见图1,需要说明的是:为风机的变频器设6个点,变频器电源控制设3个点,用于手动/自动开关状态(DI),电源通、断控制(1DO点),电源状态(1DI点);变频器运行监控设三个点,频率控制1AO点,频率反馈1AI点,故障报警1DI点;
(2)控制
1) 变风量末端装置的控制
压力无关型变风量末端装置对室内温度的控制为串级控制方式,它能及时处理送风压力变化对末端装置送风量的干扰,保证好的调节品质。在此例中内区为单风道基本型 ,全年送冷风,按图3的特性进行控制。变风量末端装置调节风阀的运行范围受空调设计确定的最大风量和最小风量的限制。对于每一个变风量末端装置,都有其自己的最大和最小风量,在系统调试时需将这两个参数编写到调节器的控制程序中。

图3 单风道基本型末端装置控制特性 图4串联式风机动力型(带再热)末端装置控制特性
图4为外区变风量末端装置的控制特性,当房间温度大于设定值时,控制器控制风阀开大,加大一次风量,二次风量相应减少,直至最大风量,最大风量等于风机风量。当房间温度低于设定值时,控制器控制风阀关小,减少一次风量,二次风量相应加大,若到了最小一次风与最大二次风区域,房间温度继续降低,则再加热器投入工作,提高送风温度,以满足室内负荷的要求。
变风量末端装置的运行与变风量机组同步,系统风机运行,则末端装置的风机必开。
2) 变风量空调机组的控制
在冬、夏季,根据送风温度控制(PI)热、冷水调节阀,使送风温度达到设定值。
当系统负荷减小到某一程度时,可参考回风温度、末端装置风阀的开度来修改送风温度设定值。以避免部分房间的变风量末端装置运行在最小或最大风量时,室温仍达不到设定值。
在冬季,根据回风相对湿度控制加湿阀,以保证室内相对湿度。
送风量控制目前常采用控制系统静压的方式,改变风机转数实现对机组送风量的调节,这是暖通规范推荐的方式。风机转速有一最低允许值,此值对应于系统的最小风量。系统的送风静压与送风温度控制之间要相互协调,以保证变风量末端装置工作在合理状态,不要经常工作在最大或最小送风量状态。静压控制除定静压外,还有变静压控制方式,其目的是使系统根据负荷的变化将静压保持在允许的最低值,因此其比定静压控制方式更节能,但此种方式易使系统不稳定,故而在实际工程中使用时要注意控制程序的设计和转换参数的选择。
变频器的电源按时间程序进行控制。
新风量的控制是根据实测的新风量F来调节新风、回风阀门开度,使新风量达到设定值,保持新风量不变。当系统风量减少时,开新风阀关回风阀,回风风量减少,新风比加大。当系统达到最小风量时,新风比为100%,即无回风,全部用新风。
2. 监控系统规划在大型建筑物中,变风量系统数量多,末端装置的数量大,例如信远大厦,变风量系统有60多个,变风量末端装置有一千余台。除变风量系统外,建筑物内还有其他许多需监控的设备。显然,对于这类大型建筑物,它的建筑设备监控系统是一个大型有多条总线的系统。在进行系统设计时,应本着科学和节约的原则仔细规化,通常有以下几点需要注意:
(1)应将控制某一变风量机组的控制器(DDC)与此系统所负责送风的末端装置的控制器设在同一条通信总线上,这样将有利网络通信和整个变风量系统的管理和运行。同时此总线所带的控制器或监控点的数量要合理,不可有太多的富裕量。
(2)对系统总线的规划,在考虑上述因素的同时,尚应注意总线施工和维护的难易程度。
(3)应注意变风量末端装置的温度传感器的合理配置。末端装置的温度传感器配置大致分为三种情况:其一,是为每一变风量末端装置设一个有温度设定功能的温度传感器;其二,是多个变风量末端装置共用一个有温度设定功能的温度传感器;其三,是多个变风量末端装置共用一个或几个无温度设定功能的温度传感器。
第一种情况多用于面积不大的房间,后两种情况多用于大空间。带有温度设定功能的温度传感器安装于墙上,无温度设定功能的温度传感器多设在作为回风空间的吊顶上,此时房间的温度给定值由末端装置控制器中的软件设定。
设计时,具体采用何种温度传感器,要根据建筑和空调专业的设计,仔细划分变风量末端装置的服务区,按照区域的建筑和使用特点,为相应的变风量末端装置配置合适的温度传感器。
3.几个有关的问题(1)新风量控制
由于受新风管道的影响,新风量测量会存在测不准的问题。为此,可根据回风或有代表性房间的二氧化碳浓度来控制新风量的控制方式。
另一种新风量的控制方式是在新风管道上设置定风量装置(CVA Box),稳定输送一定量的新风。定风量装置又称为风量调节器,图3为其外形及结构示意图。这是一种机械式自动装置,不需要外加动力,所需的风量直接在此装置上设定。装置内部设有限流板、气囊、凸轮、弹簧等部件,它们协同工作使风量调节器在允许的压差范围内将风量保持在设定的流量上。

a. b.
a.外形 b.内部结构示意图
图5 风量调节器
(2)变频调速
风机电机的功耗与其转速的三次方成正比关系,故而当系统风量减少时,风机的耗电量会降低很多。考虑到变频调速装置的能耗及风机转速降低后效率的下降等因素,变频调速方式节能与转速达不到三次方的关系,但还是很可观的,例风量为50%时,电机功耗约为15%。
风机是变转矩负荷,变频器应按此来进行配置。目前许多制造商都生产专为空调系统中风机控制而设计的变频器,这种变频器有较好的性价比。选择时应使电机功率与变频器的功率相匹配,电机的功率不能大于变频器的功率,也不能低于变频器功率的一半,变频器的输出电压、电流及最高频率要与电机的要求相吻合,同时还应注意变频器的干扰与输出至风机电机间的允许距离。
变频器电源是否要控制,这与强电设计有关,在实际工程中也有不设这些监控点的实例,这不影响系统的运行,但在单台切断空调系统电源方面不大方便。
风机转速控制手动或自动方式的选择是在变频器上解决的,在变频器的控制面板上可以进行“远方”或“就地”控制模式的设定。当设置为“就地”时,对变频器的操作直接在控制面板上进行,这多用于空调系统风量调试及风机维修;当设置为“远方”时,则由监控系统进行控制。
目前许多制造商生产的变频器和其控制面板是分离式的,以便于当变频器由系统控制时,可为同类的变频器配置一块面板,它仅用于变频器的参数设定和初调。但此方式若用于变风量系统,会给先于监控系统调试的空调风系统调试带来诸多不便,故而最好为每一台变频器配置一块控制面板。
原文网址:http://www.pipcn.net/research/200512/8344.htm
也许您还喜欢阅读:
